Iklan 300x250

39 john deere 4430 wiring diagram

JOHN DEERE 4430 TRACTOR Service Repair Manual This is the Highly Detailed factory service repair manual for theJOHN DEERE 4430 TRACTOR, this Service Manual has detailed illustrations as well as step by st… All pages are is great to haveJOHN DEERE 4430 TRACTOR Service Repair Workshop Manual. Looking for some other Service Repair... I have a 4430 and none of the lights work, some lights are Jan 30, 2018 — I'm looking for a wiring diagram so that all lights - Answered by a ... not at the tractor,it's a John Deere 4430 diesel, with cab and air.1 answer · Top answer: Yes, it should work with your s/n.

John Deere 4430 & 4630 Tractors Technical Manual TM-1172 PDF Electronic technical manual includes repair and service information, maintenance instructions, schematics and charts for tractors John Deere 4430 and 4630. Technical manual provides information on repair, maintenance instructions, wiring electrical diagrams, service instructions, etc.

John deere 4430 wiring diagram

John deere 4430 wiring diagram

72 John Deere Service Manuals Free Download - Truck manual... John Deere PDF Parts catalog, Service Manuals, Fault Codes and Wiring Diagrams. See also: John Deere Lawn Mowers Operator's Manual PDF. John Deere Service manuals. Title. File Size. Download Link. Fuel Diagnostics Guide for John Deere 8400. 9500.pdf. John Deere 4430 blower motors not working?? | My Tractor Forum Hey guys, I recently purchased a jd 4430, I noticed the blower motors were doing funny things and the a/c wasn't kicking in. Soo I started at the blower switch I replaced it with the new upgraded switch... Think I got wired right! Both fans spin on low speed but assoon as u switch it to high, the left one cuts... [PDF] John Deere 4430 Tractor Wiring Diagram John Deere 4430 Tractor Service Manual. Group S-Information and Wiring Diagrams · Group 10-Delcotron Charging Circuit · Group 1S-Delco-Remy Starting Circuit · Group 20-John Deere Starting Circuit. john deere 4430 wiring diagram pdf eBook Download [eBook ID ...

John deere 4430 wiring diagram. John Deere 4430 Wiring Diagram Collection Effectively read a electrical wiring diagram, one offers to find out how the components in the method operate. I printing the schematic plus highlight the signal I'm diagnosing in order to make sure I'm staying on the path. John Deere 4430 Wiring Diagram Source: i0.wp.com. Manuals and Training | Parts & Service | John Deere US John Deere offers a range of technical and operator publications and training. A digital database of Operator, Diagnostic, and Technical manuals for John Deere Products. This subscription allows users to connect to machines with an Electronic Data Link (EDL) to clear and refresh codes, take diagnostic... John Deere 4430 Wiring Diagram - EIMMALAH Wiring Diagram Likewise John Deere 4430 Tractor Wiring. John Deere 4430 Blower Motors Not Working My Tractor Forum. Need a wiring schematic for john deere 4430? - Answers need a wiring diagram for a john deere 314 lawnmower. Opel astra f wiring schematic? i need wiring diagram for alarm. How Often Should You Change oil in 4430 John Deere?

John Deere 4430 row-crop tractor: review and specs - Tractor Specs John Deere 4430 review and specifications: dimensions and weight, engine and transmission type, horsepower, oil type and capacity, tires. The John Deere 4430 is a 2WD or 4WD row-crop tractor from the Generation II series. 30 John Deere 4430 Wiring Diagram - Wiring Database 2020 4430 4630 tractor volume 1 of 3 this is a manual produced by jensales inc. John deere and its successors are not responsible for the... John Deere 4430 & 4630 Tractors TM1172 PDF Manual Group 05 - Information and Wiring Diagrams. Group 10 - Delcotron Charging Circuit. Genuine John Deere Diagnostic Kit EDL Electronic Data Link v3 diagnostic KIT: Storage Box (Part # SA5025), USB Cable Heavy Technics + Repair. John Deere 4430 & 4630 Tractors TM1172 Technical Manual PDF. John Deere 4430 Tractor TM1057 Technical Manual PDF John Deere 4430 Tractor Technical Manual TM1057 PDF. Technical Manual contains detailed technical service information for tractors John Deere 4430. Group 5 - Information and Wiring Diagram. Group 10 - Delcotron Charging Circuit.

129 John Deere Service Repair Manuals PDF... | Truckmanualshub.com Home » John Deere » John Deere Tractor's & Combines Service Repair Manuals PDF. John Deere tractors, combines & lawn mowers service repair manuals, spare parts catalogs and wiring diagrams. John Deere PDF Tractor Workshop and Repair manuals - Wiring... John Deere Sidehill 6620 Hydraulic System Test Download. John Deere Valve Adjustment Service Manual Download. John Deere Wiring Schematic Diagrams Download. JOHN DEERE - Service Manual Download John Deere Service Manual, Technical Manual Download. John Deere 4430 & 4630 Tractors Technical Manual (TM1172). Looking for 4430 wiring diagram. Sc1097231R it is a 1977 Yes i am to find diagram have melted wire ends and if he thinks his wife (me) is going to help i want heat. Mechanic's Assistant: Anything else you want the Agriculture Mechanic to know I have a John Derek 4430, late1977model. I need to remove the fuel tank and have it cleaned of rust accumulation.

4310 Work Light Fuse | Green Tractor Talk

4310 Work Light Fuse | Green Tractor Talk

Читаем электросхемы John Deere - Автозапчасти и автоХитрости Читаем электросхемы спецтехники John Deere. Wiring Diagram Example.

Viewing a thread - 7 pin connector

Viewing a thread - 7 pin connector

John Deere 4430 Wiring Diagram - Drivenhelios Manual for wiring diagram for john deere 4430 schematic trying to repair because wiring harness has been cut under john deere 4000 4020 4430 tractor question. Here is a picture gallery about john deere 4230 wiring diagram complete with the description of the image please find the image you need.

John Deere 4430 blower motors not working?? | My Tractor Forum

John Deere 4430 blower motors not working?? | My Tractor Forum

SOLVED: Manual for wiring diagram for John Deere 4430 - - Fixya No luck finding a wiring diagram. Only thing was a complete factory service manual here - $87 JOHN DEERE 4440 TRACTOR SERVICE MANUAL John Deere Riding Mowers Richard, Check the attached links,instruction and guides for wiring diagram. Good luck "I hope this helped you out, if so...

My cab blower motor only runs at high speed. 6155M where is ...

My cab blower motor only runs at high speed. 6155M where is ...

PDF John Deere 4430 | 4630 Tractor Service Manual Section 40-Electrical System Group 5-lnformation and Wiring Diagrams Group 10-Delcotron Charging Circuit Group 15-Delco-Remy Starting Circuit Group 20-John Deere Starting Circuit Group 2S-Ughting and Accessory Circuits Group 30-Specifications.

TheAnswer21 (@kylerunner) / Twitter

TheAnswer21 (@kylerunner) / Twitter

JD 4430 wiring diagram | AgMachinery Forum Sep 25, 2004 — Does anybody out there have a wiring diagram for a Mannheim built 4430? Local Deere dealer is looking for one. If you do have access to one ...7 posts · Hey Woody, where've you been hiding? Was worried you'd seen the light and moved on! Mannheim ...

3020 gas dies after key is let go. - Yesterday's Tractors

3020 gas dies after key is let go. - Yesterday's Tractors

John Deere 4430 Hydraulic Diagram - Wiring Site Resource Hydraulics filter element. The john deere 4430 has a closed center hydraulics system with a 11 gal 416 l capacity. 4430 Rep...

Pin on Cakes

Pin on Cakes

John Deere 4430 Wiring Diagram - Wiring Diagram Source Electronic technical manual includes repair and service information maintenance instructions schematics and charts for tractors john deere...

John Deere 4430 Tractor TM1057 Technical Service Manual PDF

John Deere 4430 Tractor TM1057 Technical Service Manual PDF

OPERATION AND SERVICE MANUAL 6081 OEM Diesel | Manualzz John Deere OEM Engines. These accessories may be provided by the equipment manufacturer instead of. Utilisateurs De Moteurs John Deere: N'attendez pas d'eˆtre oblige´ d'avoir recours a votre. Engine Wiring Diagram (Engines w/Earlier. Standard Instrument Panel - Engines.

John Deere 4430 Tractor Parts Manual

John Deere 4430 Tractor Parts Manual

TractorData.com John Deere 4430 tractor information high clearance. John Deere 4430 Power. PTO (claimed) 18.4-38. Full dimensions and tires ... John Deere 4430 attachments. front-end loader. Attachment details ... 4430 Serial Numbers. Location

John Deere 3150 wont start??? - TractorByNet

John Deere 3150 wont start??? - TractorByNet

John Deere 4430 Repairs - Part 4 SCV Seals - YouTube In this episode, I get to work on the SCV valves while I am waiting for parts for the rockshaft housing. I initially do all of the work on the bench, but...

TM1172 - John Deere 4430 (SN.033109-), 4630 (SN.011717-) Row ...

TM1172 - John Deere 4430 (SN.033109-), 4630 (SN.011717-) Row ...

John Deere 4430 Wiring-Diagram - Bing images Mehr Suchvorgänge finden wie „John Deere 4430 Wiring-Diagram". Personen, die an John Deere 4430 Wiring-Diagram interessiert sind, haben auch nach Folgendem gesucht.

John Deere 4030 4230 4430 4630 Tractor Workshop Manual

John Deere 4030 4230 4430 4630 Tractor Workshop Manual

John Deere 4430 Tractors Technical Service Repair Manual tm1057 This is the COMPLETE Official Service Repair Manual for the John Deere Tractors. This manual contains deep information about maintaining This Manual contains information and data to this model. has specs, diagrams, and actual real photo illustrations, and schemes, which give you...

BATTERY AND WIRING (3A3067 N/S)--24 Volt--Part 1 of 2 Serial ...

BATTERY AND WIRING (3A3067 N/S)--24 Volt--Part 1 of 2 Serial ...

PDF PowerTech ™ 4.5L Moline, Illinois All rights reserved A John Deere ILLUSTRUCTION® Manual Previous Editions Make sure the bulb is enclosed by a wire cage. The hot filament of an accidentally broken bulb can ignite Potentially harmful waste used with John Deere equipment include such items as oil, fuel, coolant...

John Deere 4440 Charging Problem | Turbo Diesel Register

John Deere 4440 Charging Problem | Turbo Diesel Register

John Deere Model 4030-4630 Tractor Service Repair Manual John Deere 4030 Gasoline John Deere 4230 Gasoline John Deere 4430 Gasoline John Deere 4030 Diesel John Deere 4230 Diesel John Deere 4430 Diesel John Does not include wiring diagrams. I&T Shop Manuals have long been the trusted source for professionals and experienced mechanics.

332 shuts off when hydro lever moved off switch | Weekend ...

332 shuts off when hydro lever moved off switch | Weekend ...

[PDF] John Deere 4430 Tractor Wiring Diagram John Deere 4430 Tractor Service Manual. Group S-Information and Wiring Diagrams · Group 10-Delcotron Charging Circuit · Group 1S-Delco-Remy Starting Circuit · Group 20-John Deere Starting Circuit. john deere 4430 wiring diagram pdf eBook Download [eBook ID ...

WIRING HARNESS (ROLL-GARD AND SOUND-GARD BODY) [02B11 ...

WIRING HARNESS (ROLL-GARD AND SOUND-GARD BODY) [02B11 ...

John Deere 4430 blower motors not working?? | My Tractor Forum Hey guys, I recently purchased a jd 4430, I noticed the blower motors were doing funny things and the a/c wasn't kicking in. Soo I started at the blower switch I replaced it with the new upgraded switch... Think I got wired right! Both fans spin on low speed but assoon as u switch it to high, the left one cuts...

John Deere 4 Position Light Switch (6 Terminal)

John Deere 4 Position Light Switch (6 Terminal)

72 John Deere Service Manuals Free Download - Truck manual... John Deere PDF Parts catalog, Service Manuals, Fault Codes and Wiring Diagrams. See also: John Deere Lawn Mowers Operator's Manual PDF. John Deere Service manuals. Title. File Size. Download Link. Fuel Diagnostics Guide for John Deere 8400. 9500.pdf.

JD 790 Front wheel lockup - TractorByNet

JD 790 Front wheel lockup - TractorByNet

SOLVED: Wiring schematic for john deere La105 no lights - Fixya

SOLVED: Wiring schematic for john deere La105 no lights - Fixya

345 fd611v valve adjustment | My Tractor Forum

345 fd611v valve adjustment | My Tractor Forum

John Deere 4430 blower motors not working?? | My Tractor Forum

John Deere 4430 blower motors not working?? | My Tractor Forum

4430 Complete wire diagram - Yesterday's Tractors

4430 Complete wire diagram - Yesterday's Tractors

JD 4440 Radio Installation - Yesterday's Tractors

JD 4440 Radio Installation - Yesterday's Tractors

John Deere 4430 Row Crop Tractors (SN.before 033108 ...

John Deere 4430 Row Crop Tractors (SN.before 033108 ...

Viewing a thread - John Deere 4430 air conditioning

Viewing a thread - John Deere 4430 air conditioning

4230, 4430 AND 4630 MODEL TRACTOR AIR COMPRESSOR WIRING ...

4230, 4430 AND 4630 MODEL TRACTOR AIR COMPRESSOR WIRING ...

Where does the wires go from the air conditioner compressure ...

Where does the wires go from the air conditioner compressure ...

John Deere 4430 Tractor Service Manual

John Deere 4430 Tractor Service Manual

JOHN DEERE 4430 TRACTOR Service Repair Manual

JOHN DEERE 4430 TRACTOR Service Repair Manual

John Deere 2355 TRACTOR -PC4216 WIRING HARNESS SGB FOR ...

John Deere 2355 TRACTOR -PC4216 WIRING HARNESS SGB FOR ...

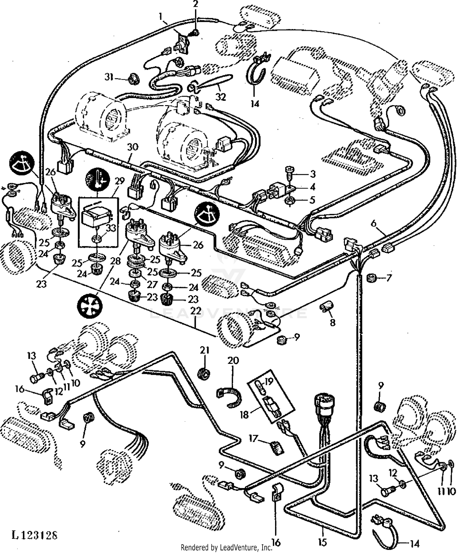
4430 - TRACTOR WIRING HARNESS (ROLL-GARD AND SOUND-GARD BODY ...

4430 - TRACTOR WIRING HARNESS (ROLL-GARD AND SOUND-GARD BODY ...

STARTER SOLENOID SWITCH (12-VOLT) (JOHN DEERE) (STARTING ...

STARTER SOLENOID SWITCH (12-VOLT) (JOHN DEERE) (STARTING ...

I got air in the fuel line on my jd 455.I was cranking,trying ...

I got air in the fuel line on my jd 455.I was cranking,trying ...

MF 240 diesel wiring diagram

MF 240 diesel wiring diagram

4430 jd 1977 | Green Tractor Talk

4430 jd 1977 | Green Tractor Talk

Pin on Cakes

Pin on Cakes

BATTERY AND WIRING (3A3067 N/S)--24 Volt--Part 1 of 2 Serial ...

BATTERY AND WIRING (3A3067 N/S)--24 Volt--Part 1 of 2 Serial ...

4430 No Crank | My Tractor Forum

4430 No Crank | My Tractor Forum

John Deere Tractors 4430, 4630 Service Technical Manual + ...

John Deere Tractors 4430, 4630 Service Technical Manual + ...

0 Response to "39 john deere 4430 wiring diagram"

Post a Comment

Iklan Atas Artikel

Iklan Tengah Artikel 1

Iklan Tengah Artikel 2

Iklan Bawah Artikel