Iklan 300x250

38 troy bilt tb230 carburetor diagram

How to Replace the Carburetor on a Troy-Bilt TB130 Lawn ... Get a replacement carburetor for your Troy-Bilt TB130 lawn mower here: tutorial will... Troy-Bilt - 12AVB2MR766 TB230 (2020) Troy-Bilt - 12AVB2MR766 TB230 (2020) Click and drag to pan. Zoom. Diagrams.Quick Reference ; Axles ; Blade ; Cables ; Control Bail ; Deck Assembly ; Deck Hardware ... CARBURETOR & CHOKE CLEAN : Qty: Add to Cart: 490-100-0083

Troy Bilt TB220 12AVB22J766 (2015) 12AVB22J766 TB220 (2015 ... Troy Bilt TB220 12AVB22J766 (2015) 12AVB22J766 TB220 (2015) Parts Diagram for 5X65RU Carburetor JACKS SMALL ENGINES HAS JOINED THE NORTHERN TOOL FAMILY! Learn More » Order Status Get Support (open) 1-877-737-2787 Hours of Operation M-F 9AM-6PM ET Sat 9AM-5PM ET Sun 11AM-5PM ET Contact Us » Name Guest Sign In Sign Up 0 Shopping Cart 3+ Million Parts

Troy bilt tb230 carburetor diagram

Troy bilt tb230 carburetor diagram

ecu-chiptuning.de Mar 31, 2020 · Troy-Bilt TB160: Performance. i'm having some engine problems. Definitely worth starting with JustAnswer. com can help. Kindle File Format Troy Bilt Riding Mower Manual Apr 14, 2018 Troy-Bilt Tb230 190cc 21-in Self-Propelled Front Wheel The Troy-Bilt is by a 382cc Auto Choke engine with speeds 4. Lumix GC Gasket Carburetor for Troy Bilt TB230 Lawnmower 190cc USPEEDA Carburetor for 725EX 190cc Troy Bilt TB230 Lawn Mower Carb Fuel Filter 23 1 offer from $12.66 Kizut 799866 Carburetor with Air Filter Tune Up Kit for B and S 790845 799871 796707 794304 190cc Fits Troy Bilt TB230 Toro 22" Recycler Parts 4 Cycle Lawn Mower 77 1 offer from $20.08 Troy-Bilt Self-Propelled Walk-Behind Mower | TB230 ... Troy-Bilt TB230 (12AVB25S011) (2012) Self-Propelled Walk-Behind Mower Parts We Sell Only Genuine Troy-Bilt Parts Standard Mulching Blade (21-Inch) $31.11 Add to Cart Hinged Mulch Plug $18.35 Add to Cart Discharge Chute $13.52 Add to Cart Control Cable $11.61 Add to Cart Flange Lock Nut $3.56 Add to Cart Wing Nut $4.90 Add to Cart

Troy bilt tb230 carburetor diagram. Troy bilt auto choke problem - beautyathomeshop.de Manual for Honda 160cc engine on Troy Bilt 11a542q711 Lumix GC Carburetor For Troy Bilt TB554 Gas Lawn Edger 140cc 25B-554M711. There was a problem filtering reviews right now. Search Help by Model. My biggest problem was the poor documentation that comes with the mower. 0-v1. 2-Cycle Trimmers. Shop Parts. TB230 Troy-Bilt High Wheel Self-Propelled Mower ... TB230 Troy-Bilt High Wheel Self-Propelled Mower Model#: 12AVB2MR766 Troy-Bilt Check, Don't Change™ engine eliminates the need to change oil by simply checking before each use and topping off as needed Built In America with U.S and Global Parts since 1937 Pushes more easily over rough spots and up hills with 11-in high rear wheels lifestylee.de Brake Pads. Step 5. I have a Troy Bilt horse that has 2 belts, one for the 2 blades on the deck and a drive belt that runs the hydrostatic transmission. Draw a diagram of how the belt routes around the pulleys on the mower deck. troy-bilt tb30r carburetor diagram. It is EASY and FREERiding Mower Drive Belt. Start engine and operate at low idle ... PDF Troy bilt tb220 carburetor cleaning - mokomowu.weebly.com Troy bilt tb230 carburetor diagram. Featuring honda engines the troy bilt 540 series mowers are designed to. Walk behind lawn mower parts. Yes printed troy bilt operators manuals illustrated parts lists and troy bilt mtd engine manuals are available for purchase. View and download troy bilt tb230 operators manual online.

Troy Bilt Bronco Deck Spring Diagram - Diagram : Template ... Troy Bilt Pony Carburetor Diagram. Troy Bilt Tb90bc Carburetor Diagram. Troy Bilt Tb110 Carburetor Diagram. Troy Bilt Tb200 Carburetor Diagram. Troy Bilt Tb230 Carburetor Diagram. Troy Bilt 4 Cycle Trimmer Carburetor Diagram. Troy Bilt Horse Drive Belt Diagram. Troy Bilt Lawn Mower Carburetor Diagram. Briggs and stratton 725ex parts manual - United States ... Largest range of products on offer in Australia. 6/4/2012 · My new Troy Bilt push mower is powered by a 190cc Briggs & Stratton 725EX (Flat Head). It produces approximately 3.75HP. The owners manual states that it needs SAE 30 from 40*F to +100*F. 10w30 from 0*F to 100*F with consumption occurring above 80*F. Also, a synthetic 5w30 from -22…. Troy Bilt TB230 12AVB2A3766 (2015) 12AVB2A3766 TB230 (2015 ... Found on Diagram: General Assembly TB230 74705267C Bail Operator $14.32 Add to Cart 74904679D0637 HANDLE UPPER SQUZ $36.52 Add to Cart 647042710637 Grass Catcher Frame $32.46 Add to Cart 749072980637 Lower Handle $8.45 Add to Cart 7200279 Handle Knob $3.53 Add to Cart 7101205 Rope Guide $3.17 Thank you for your interest in - wohnart-coesfeld.de Thank you for your interest in ebuyer.com. We notice you are outside the United Kingdom. At the moment we only ship our products to addresses in the UK. Because of this we do not allow traffic to our website from outside the UK so unfortunately you will not be able to access our online store today.

Troy bilt riding mower stuck in gear - berlinerzwerge.de Troy bilt riding mower stuck in gear Sep 10, 2018 · Tags: lawn mower troy bilt manual oil reviews troubleshooting won't start tb230 riding battery repair blades carburetor lowes honda troy-bilt pony cover bag wheels bagger push air filter adjust height Operator’s Manual Riding Mower Internal Bagging System Model 13A-344-563 LR927 IMPORTANT ... Troy-Bilt TB 230 (12AVB2A3711) - Troy-Bilt ... - PartsTree TB 230 (12AVB2A3711) - Troy-Bilt Walk-Behind Mower (2015) General Assembly TB230 Parts Diagram Walk-Behind Mower General Assembly TB230 Parts Diagram 1 Troy-Bilt Part# 747-05267C Blade Control In Stock, only 4 left! $ 14.69 Add to Cart 0 2 Troy-Bilt Part# 749-04679-0637 HANDLE-UPPER SQZ G - POWDER BLACK (0637) Variations Not available 3 Lawn Mower Won't Start; Carb Clean No Removal! Troy Bilt TB230 Troy Bilt TB230 Lawn mower won't start; Carburetor cleaning with no removal. Quick fix for mowers that have been sitting for long periods of time. Mower in v... Troy-Bilt Self Propelled Lawn Mower - Model 12AVB25U711 ... Find parts for your TB230 Troy-Bilt Self-Propelled Lawn Mower. Parts diagrams and manuals available. Free shipping on parts orders over $45.

Buy ALL-CARB Carburetor for Troy Bilt Power Washer 7.75 Hp ...

Buy ALL-CARB Carburetor for Troy Bilt Power Washer 7.75 Hp ...

How to Replace the Carburetor on a Troy-Bilt TB130 Lawn ... Installing the Carburetor 1. Replace the throttle linkage Thread the throttle linkage into the new carburetor. 2. Connect the fuel line to the carburetor Use your fuel line pliers or your fingers to slide the fuel line back onto the carburetor. Then use some needle-nose pliers to re-secure the hose clamp. 3. Replace any damaged/old gaskets

Replaces Troy-Bilt TB280ES (12AGA26E011) Lawn Mower ...

Replaces Troy-Bilt TB280ES (12AGA26E011) Lawn Mower ...

Electrical Wiring Diagrams - Troy-Bilt Troy-Bilt Operator's Manuals & Illustrated Parts Diagrams. Number of Views 184.88K. Engine Shuts Off Upon Cutting Deck Engagement - Riding Mower. Number of Views 17.99K. Clicking Sound While Attempting to Key Start - Riding Mower. Number of Views 119.18K. Fuse Blown - Riding Mower.

Troy-Bilt TB320 12AVC35U711 '13 Self Propelled Mower ...

Troy-Bilt TB320 12AVC35U711 '13 Self Propelled Mower ...

Troy-Bilt Self Propelled Lawn Mower - Model ... - MTD Parts TB230 Troy-Bilt Self-Propelled Lawn Mower. Briggs and Stratton Part Number 593260. Air Filter. The Operator's Manual is an important part of your new outdoor power equipment. It will help you assemble, prepare, maintain and safely operate your machine.

Troy Bilt Tb230 Carburetor Replacement Factory Sale, UP TO 56 ...

Troy Bilt Tb230 Carburetor Replacement Factory Sale, UP TO 56 ...

Replaces Troy Bilt TB240 Lawn Mower Carburetor - Mower ... Replaces Troy Bilt TB240 Lawn Mower Carburetor. Rated 5.00 out of 5 based on 2 customer ratings. ( 2 customer reviews) $ 79.79 $ 49.79. 5-7 DAYS FREE SHIPPING! 4.8. Only 1 left in stock. Replaces Troy Bilt TB240 Lawn Mower Carburetor quantity. 01234567890123456789.

* 21 inch troy-bilt tb320 carburetor cleaning briggs and stratton 625 ex  150cc

* 21 inch troy-bilt tb320 carburetor cleaning briggs and stratton 625 ex 150cc

Replaces Troy Bilt Model 12AVB2A3711 Carburetor - Mower ... Replaces Troy Bilt Lawn Mower Model 12AVB2A3711 Carburetor. Lawn Mower In Pictures Is A Troy Bilt Model 12AVB2A3711. 1 Year Replacement Warranty! Replace your carburetor if your machine starts up on choke then dies, if it starts with starting fluid then dies or if it needs choke on to run.

CARBURETOR CARB FOR Troy Bilt TB200 TB110 TB554 TB115 TB230 ...

CARBURETOR CARB FOR Troy Bilt TB200 TB110 TB554 TB115 TB230 ...

Parts Lookup and OEM Diagrams | PartsTree Repair parts lookup and OEM diagrams for outdoor equipment like Toro lawn mowers, Cub Cadet tractors, Husqvarna chainsaws, Echo trimmers, Briggs engines. ... Results for "tb230 12avb25u711 troy bilt tb230 self propelled walk behind mower 2012" (34750 Models) Filter Results Show

Troy Bilt ,Briggs and Stratton 190cc governor adjustment (Coal Miner  outsmarts Dentist!!!!!)

Troy Bilt ,Briggs and Stratton 190cc governor adjustment (Coal Miner outsmarts Dentist!!!!!)

Troy bilt tb230 honda engine manual - United States Guid ... Use our part lists, interactive diagrams, accessories and expert repair advice to make your repairs easy. If you are looking for the instruction manual: Troy-Bilt TB230 - you have come to the right place. On this page you can download it for free. For details about manual, see the info below.

Troy-Bilt Self-Propelled Walk-Behind Mower | TB230 ...

Troy-Bilt Self-Propelled Walk-Behind Mower | TB230 ...

Troy-Bilt TB230 won't start - PLEASE HELP - Lawn Mower Forum Hi, I recently was given a Troy Bilt TB230 with a Briggs and Stratton 723ex motor that appears to be in very good condition, however, it won't start. I put fresh gas in, changed the oil, and put a new spark plug in it. After doing those things I tried again with no luck. I tried spraying some starting fluid and it started up for a couple seconds and then died.

troy bilt tb240 carburetor replacement cheap online

troy bilt tb240 carburetor replacement cheap online

rainerjaeger.de Troy bilt riding mower stuck in gear Sep 10, 2018 · Tags: lawn mower troy bilt manual oil reviews troubleshooting won't start tb230 riding battery repair blades carburetor lowes honda troy-bilt pony cover bag wheels bagger push air filter adjust height Operator’s Manual Riding Mower Internal Bagging System Model 13A-344-563 LR927 IMPORTANT ...

Carburetor For Troy Bilt TB105 TB110 TB115 TB200 TB220 ...

Carburetor For Troy Bilt TB105 TB110 TB115 TB200 TB220 ...

Troy-Bilt Parts Diagrams This is the most current part for this model. Previous part number. . , A newer part has replaced this item. The latest part that replaces this item is: . , Change Brand New Search. Chapters for. Troy-Bilt.

Carburetor for Troy Bilt TB110 lawnmower with a Briggs and ...

Carburetor for Troy Bilt TB110 lawnmower with a Briggs and ...

Briggs and Stratton 725EXi Engine 104M02-0083-F1 OEM Product Description Briggs and Stratton 725EXi Engine. The Briggs and Stratton 725EXi Engine enhances your gardening equipment, so be prepared to work on your lawn for a long time. This is an OEM product available at our store for an excellent price, along with many other Briggs and Stratton 725EXi Series parts from our catalog.

Troy-Bilt TB280ES (12AGA26E011) Lawn Mower Carburetor Carb ...

Troy-Bilt TB280ES (12AGA26E011) Lawn Mower Carburetor Carb ...

stuffi-design.de Open Menu Close Menu. Briggs flathead mikuni carb

Troy-Bilt TB300 XP Self-Propelled Mower | Troy-Bilt US

Troy-Bilt TB300 XP Self-Propelled Mower | Troy-Bilt US

Diagram on carburator linkage (briggs/stra) troy bilt pony ... 6 Posts. Discussion Starter · #9 · Aug 4, 2012. Only show this user. Thanks for the pictures but they didn't solve the problem which is the linkage from the governer upward to the throttle rocker. I ended up going to a b/s dealer, trying to get a diagram but they couldn't get one either. So he went to the back room and brought out the exact ...

Troy Bilt TB25ET 41ADT2EC063 41ADT2EC063 TB25ET Parts Diagram ...

Troy Bilt TB25ET 41ADT2EC063 41ADT2EC063 TB25ET Parts Diagram ...

Amazon.com : Troy-Bilt TB230 163cc 21-inch 3-in-1 Front ... The TB230 features large, 11-inch rear wheels for added maneuverability in uneven terrain, and single lever speed control for variable speeds. This self-propelled mower also includes dual-lever deck height adjustment that allows for six different grass height settings, from 1.25-inches to 3.75-inches.

Troy-Bilt TB230 163-cc 21-in Self-Propelled Gas Push Lawn ...

Troy-Bilt TB230 163-cc 21-in Self-Propelled Gas Push Lawn ...

Troy-Bilt Operator's Manuals & Illustrated Parts Diagrams Yes, printed Troy-Bilt Operator's Manuals, Illustrated Parts Lists and Troy-Bilt / MTD Engine Manuals are available for purchase. The price for a pre-printed manual is typically less than $20+s/h, but can range up to $45+s/h for larger documents.

Troy-Bilt TB230 XP Self-Propelled Mower | Troy-Bilt US

Troy-Bilt TB230 XP Self-Propelled Mower | Troy-Bilt US

TroyBilt - Troy-Bilt - partsandservice.com TroyBilt Parts Diagram Indexes Parts orders filled and shipped by authorized stocking dealers located across Canada and the USA. TroyBilt - Troy-Bilt Lawn and Garden Power Equipment Roto Tillers, Mowers, Chipper Shredders, Brush Cutters, Tractors, Carts, Snowthrowers, Composters, Greenhouses, Log Splitters, Sprayers, Pressure Washers and Generators

How to Replace the Carburetor on a Troy-Bilt TB130 Lawn Mower ...

How to Replace the Carburetor on a Troy-Bilt TB130 Lawn Mower ...

MTD TB230 gas walk-behind mower parts | Sears PartsDirect MTD TB230 gas walk-behind mower parts - manufacturer-approved parts for a proper fit every time! We also have installation guides, diagrams and manuals to help you along the way!

Troy-Bilt TB360 Lawn Mower User Manual | Manualzz

Troy-Bilt TB360 Lawn Mower User Manual | Manualzz

Troy-Bilt Self-Propelled Walk-Behind Mower | TB230 ... Troy-Bilt TB230 (12AVB25S011) (2012) Self-Propelled Walk-Behind Mower Parts We Sell Only Genuine Troy-Bilt Parts Standard Mulching Blade (21-Inch) $31.11 Add to Cart Hinged Mulch Plug $18.35 Add to Cart Discharge Chute $13.52 Add to Cart Control Cable $11.61 Add to Cart Flange Lock Nut $3.56 Add to Cart Wing Nut $4.90 Add to Cart

How to Adjust RPM on Mower w. No Carb Adjustments!

How to Adjust RPM on Mower w. No Carb Adjustments!

Lumix GC Gasket Carburetor for Troy Bilt TB230 Lawnmower 190cc USPEEDA Carburetor for 725EX 190cc Troy Bilt TB230 Lawn Mower Carb Fuel Filter 23 1 offer from $12.66 Kizut 799866 Carburetor with Air Filter Tune Up Kit for B and S 790845 799871 796707 794304 190cc Fits Troy Bilt TB230 Toro 22" Recycler Parts 4 Cycle Lawn Mower 77 1 offer from $20.08

Fixing bracket

Fixing bracket

ecu-chiptuning.de Mar 31, 2020 · Troy-Bilt TB160: Performance. i'm having some engine problems. Definitely worth starting with JustAnswer. com can help. Kindle File Format Troy Bilt Riding Mower Manual Apr 14, 2018 Troy-Bilt Tb230 190cc 21-in Self-Propelled Front Wheel The Troy-Bilt is by a 382cc Auto Choke engine with speeds 4.

Kawasaki KX250-R1 2005 EUROPE parts lists and schematics

Kawasaki KX250-R1 2005 EUROPE parts lists and schematics

Carb w/ Adjustment Tool Kit WT-973 for Troy Bilt TB32EC TB21EC TB42BC  #753-05133 | eBay

Carb w/ Adjustment Tool Kit WT-973 for Troy Bilt TB32EC TB21EC TB42BC #753-05133 | eBay

troy bilt tb240 carburetor replacement cheap online

troy bilt tb240 carburetor replacement cheap online

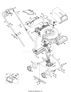
Troy Bilt 12AVB2A3711 TB 230 (2017) Parts Diagrams

Troy Bilt 12AVB2A3711 TB 230 (2017) Parts Diagrams

New Carburetor for Troy Bilt TB200 TB110 TB554 TB115 ...

New Carburetor for Troy Bilt TB200 TB110 TB554 TB115 ...

Troy Bilt Riding Mower Carburetor Cleaning | Shop www ...

Troy Bilt Riding Mower Carburetor Cleaning | Shop www ...

Troy-Bilt TB230 12AVB26M011 '11 Self Propelled Mower ...

Troy-Bilt TB230 12AVB26M011 '11 Self Propelled Mower ...

Buy Masnln Carburetor for Troy Bilt TB230 725EX 190cc Engine ...

Buy Masnln Carburetor for Troy Bilt TB230 725EX 190cc Engine ...

Troy Bilt 21

Troy Bilt 21" 675 Series Briggs & Stratton Carburetor Cleaning & Start Free Lawn Mower! -Mar. 2,2017

Own a troy-bilt mower, model TB360 ex with a Briggs ...

Own a troy-bilt mower, model TB360 ex with a Briggs ...

Troy Bilt Self Propelled Mower Parts Clearance, 53% OFF | www ...

Troy Bilt Self Propelled Mower Parts Clearance, 53% OFF | www ...

How to Replace the Carburetor on a Troy Bilt Push Mower

How to Replace the Carburetor on a Troy Bilt Push Mower

Troy-Bilt TB230: is my throttle/carb working? low RPMs | My ...

Troy-Bilt TB230: is my throttle/carb working? low RPMs | My ...

Troy Bilt TB110 will not start after one year (Resolved)

Troy Bilt TB110 will not start after one year (Resolved)

Troy Bilt TB 230 12AVB2A3721 Lawn Mower Carburetor Carb USPS Free Shipping  | eBay

Troy Bilt TB 230 12AVB2A3721 Lawn Mower Carburetor Carb USPS Free Shipping | eBay

Troy-built TB110, TB200, Craftsman 550 EX push mower carburetor cleaning

Troy-built TB110, TB200, Craftsman 550 EX push mower carburetor cleaning

Amazon.com: troy bilt carburetor

Amazon.com: troy bilt carburetor

Troy Bilt 12AVB2A3711 TB 230 (2017) Parts Diagrams

Troy Bilt 12AVB2A3711 TB 230 (2017) Parts Diagrams

0 Response to "38 troy bilt tb230 carburetor diagram"

Post a Comment

Iklan Atas Artikel

Iklan Tengah Artikel 1

Iklan Tengah Artikel 2

Iklan Bawah Artikel