Iklan 300x250

41 craftsman lt2000 mower deck diagram

How to Rebuild Craftsman LT 1000 Mower Deck - YouTube Mower Deck Rebuild Kit - the X-Tech - this video I rebuild my "new to ... Belt Diagram For A Craftsman Lt2000 - Diagram Niche Ideas Mower deck craftsman lt2000 diagram belt riding 247 42 drive mtd lawn sears yardman murray diagrams engine lt1000 wiring number. We have the following craftsman 28910 manuals available for free pdf download. Craftsman products parts that fit, straight from the manufacturer. ...

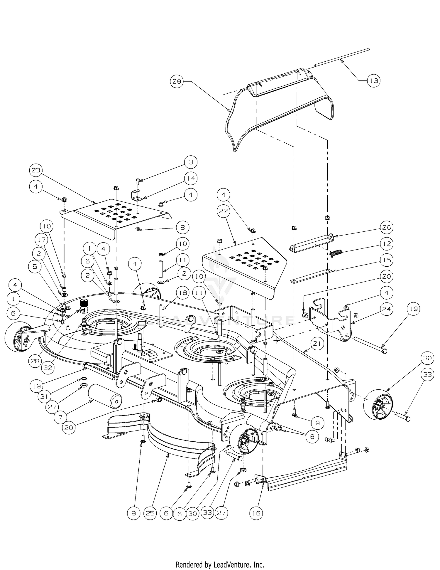
MTD 13BJ78SS099 (247.288843) (LT2000) (2013) Mower Deck ... MTD 13BJ78SS099 (247.288843) (LT2000) (2013) Mower Deck Exploded View parts lookup by model. Complete exploded views of all the major manufacturers. It is EASY and FREE

Craftsman lt2000 mower deck diagram

Craftsman lt2000 mower deck diagram

Craftsman mower deck brake bar broke?? - Lawn Mower Forum Hello everyone, I am new to the forum and looking for some help I have a Craftsman LT2000 21HP 46" deck mower that seems to have a brake issue on the deck I don't have the photos yet but will add them when I get home later but can anyone tell me where the brake bar actually attaches too? It looks like it should be attached to the pad section but no matter where I attempt to place it it doesn't ... Wiring Diagram For Craftsman Lawn Mower - Wiring Diagram ... Craftsman Lt2000 Deck Parts Diagram Golaballos Com Craftsman Ys4500 Mower Deck Belt Diagram Outlet Golaballos Com Solved Where Are All The Safety Switches On Craftsman Lawn Tractor Riding Mower Ifixit I M Looking For Help A Craftsman Lt2000 Riding Lawnmower Am Ing The Fuse Everytime Try To Start Engine ... Craftsman riding lawn mower manual parts diagram - United ... Tagged: craftsman lawn mower engine diagram, craftsman lawn mower. Jeremywell NEW CRAFTSMAN 42″ RIDING LAWN MOWER DECK BELT # 144959 POULAN PP 12012 532144959 (1) Brand New OEM Replacement Parts OEM Replacement Parts Spindle For Craftsman Riding Mower 42 46 48 54 Deck LT2000 YT3000 YTS4000 YS4500. Sold by tradeyts an eBay Marketplace seller. .

Craftsman lt2000 mower deck diagram. MTD 13BL78ST099 (247.288853) (LT2000) (2013) Mower Deck ... MTD 13BL78ST099 (247.288853) (LT2000) (2013) Mower Deck Exploded View parts lookup by model. Complete exploded views of all the major manufacturers. It is EASY and FREE Craftsman Lt2000 Deck Parts Diagram - craftsart.net Craftsman Lt2000 Parts Diagram craftsart.net. 7 hours ago Craftsart.net Show details . Craftsman Yt3000 Parts Diagram Niche Ideas. 8 hours ago Diagramonlinesources.netlify.app Show details . Sold by antal_shop an ebay marketplace seller. Sears craftsman yt 3000 42 lawn mower deck parts rebuild kit free shipping. View lawn mower craftsman yt 3000 manual online or download in pfd format. Craftsman Lt2000 Mower Drive Belt Diagram - Diagram Niche ... Mower deck craftsman lt2000 diagram belt riding 247 42 drive mtd lawn sears yardman murray diagrams engine lt1000 wiring number. I need the drivebelt routing for white outdoor 42 mower. These craftsman lt 1000 parts are essential to have for the goals that all people may have when getting a quality mower ready. Craftsman Lt2000 Deck Diagram - Diagram Niche Ideas Mower deck craftsman lt2000 diagram belt riding 247 42 drive mtd lawn sears yardman murray diagrams engine lt1000 wiring number. Maintained, lubricated and tuned up according to the instructions in the owner's manual,. 42 deck rebuild kit for craftsman lt1000 lt2000 mower with blades.

Craftsman Lt2000 Wiring Diagram - Wiring Diagram Craftsman Lt2000 247 288841 Wiring Diagram In - Wellread - Craftsman Lt2000 Wiring Diagram. Wiring Diagram will come with a number of easy to follow Wiring Diagram Guidelines. It is meant to help all of the average consumer in creating a correct system. These guidelines will be easy to comprehend and apply. Craftsman Lt2000 Deck Belt Diagram / Need Assistance With A ... Sep 01, 2021 · Craftsman Lt2000 Deck Belt Diagram / Need Assistance With A Part Number Model 47 Mower Deck Woes My Tractor Forum.In this video i show how to correctly replace a deck belt on a craftsman/ayp 42 deck that uses the old style rod engagement system to engage the blades, thi. Craftsman 247.289020 (13AJ77SS099) - Craftsman LT2000 Lawn ... Mower Deck 42-Inch diagram and repair parts lookup for Craftsman 247.289020 (13AJ77SS099) - Craftsman LT2000 Lawn Tractor (2010) (Sears) The Right Parts, Shipped Fast! Reviews Craftsman 247.288853 (13BL78ST099) - Craftsman LT2000 Lawn ... Mower Deck diagram and repair parts lookup for Craftsman 247.288853 (13BL78ST099) - Craftsman LT2000 Lawn Tractor (2013)

Deck Belt for Craftsman T1600, LT2000, LT2500, 46" Cut 754 ... Deck Belt for Craftsman T1600, LT2000, LT2500, 46" Cut 754-04219, 954-04219 Rating * Select Rating 1 star (worst) 2 stars 3 stars (average) 4 stars 5 stars (best) Name Craftsman Lt2000 Drive Belt Diagram - craftsart.net Craftsman Lt2000 Mower Drive Belt Diagram Diagram Niche . 7 hours ago Diagramonlinesources.netlify.app Show details . Craftsman lt 1000 deck belt diagram.This is 2011 craftsman lt 2000 model# 247.288851. If the belt is the correct size and in good condition(not stretched or worn thin), the problem will be the belt retainers bent/missing/ or adjusted too far from the pulleys allowing belt to ... Craftsman Mower Deck Parts Diagram | Automotive Parts ... Description: Craftsman Lawn Tractor Deck Parts Diagram | Tractor Parts Diagram throughout Craftsman Mower Deck Parts Diagram, image size 750 X 499 px, and to view image details please click the image.. Here is a picture gallery about craftsman mower deck parts diagram complete with the description of the image, please find the image you need. Craftsman Lt2000 42 Inch Deck Belt Size / Maybe a listing ... Tuesday, may 11, 2021 edit craftsman 42 inch mower deck belt diagram. The craftsman lt2000 lawn tractor features an 18.5 horsepower engine, hydrostatic transmission and a 42 cut. Epr blade belt kit for craftsman 42 inch deck lt1000 lt2000 134149 144959. 42 inches deck rebuild kit will work with the following.

Craftsman 28885 46-Inch 21HP Lawn Tractor

Craftsman 28885 46-Inch 21HP Lawn Tractor

PDF Craftsman Lt2000 Parts Diagram - deals.uticaod.com File Type PDF Craftsman Lt2000 Parts Diagram books like this one. Kindly say, the craftsman lt2000 parts diagram is universally compatible with any devices to read How To Remove and Restore 42\" Mower Deck Sears Craftsman Riding Mower Riding Mower, Starting System Wiring Diagram - Part 1 Craftsman Lt 2000 lawn mower. Deck blade spindle repair.

247.289040 (13AL78SS099) - Craftsman LT2000 Lawn Tractor ...

247.289040 (13AL78SS099) - Craftsman LT2000 Lawn Tractor ...

Craftsman LT2000 Parts Diagram Craftsman LT2000 Parts Diagram LT 2000 Parts View or print the Sears Craftsman LT2000 Parts List. The LT2000 model was sold by Sears Company under the brand of Craftsman for many years. If you need the Sears Craftsman LT2000 Parts List, we have provided it below. Click here to view LT 2000 Parts Listing View the Craftsman LT 2000 Manual

247.288843 (13BJ78SS099) - Craftsman LT2000 Lawn Tractor ...

247.288843 (13BJ78SS099) - Craftsman LT2000 Lawn Tractor ...

42" Deck Rebuild Kit Craftsman LT2000 ... - Parts Lawn Mower 42 inches Deck Rebuild Kit Will work with the following Cub Cadet Models: CC30 Mini Rider, LTX1040, LTX1042, EZT-L42, RZT-42, RZT-L42 and RZT-S42, 2011 and 2014 Sears / Craftsman: LT2000, LT1500Fits Mowers 247.289020, 247.288811, 247.288843, 247.288841 and more (2) Spindle Assemblies - Replaces OEM MYD/ Cub Cadet: 91

MTD 13BJ78SS099 (247.288843) (LT2000) (2013) Mower ...

MTD 13BJ78SS099 (247.288843) (LT2000) (2013) Mower ...

Craftsman lt1000 drive belt diagram Source: How to replace craftsman lt2000 mower deck belt you solved no need to see a diagram of the springs that are fixya another craftsman lt1000 42 deck belt. Source: m.youtube.com May 28 2016 - replace drive belt on craftsman riding mower - Craftsman Riding Mower.

MTD 13AL79SS099 (247.289050) (2010) LT2000 13AL79SS099 (2010 ...

MTD 13AL79SS099 (247.289050) (2010) LT2000 13AL79SS099 (2010 ...

I need belt diagram for craftsman lt2000 riding mower i need the diagram for blade belt replacement on craftsman. i need the diagram for blade belt replacement on craftsman lt2000 riding mower 17.5 hp 42 inch deck … read more. J.R. Vocational, Technical or Trade Scho. 209 satisfied customers. craftsman LT2000 riding lawn mower...I can not get my blades.

Wiring Diagram For Lt2000 Riding Lawn Mower Automotive Block ...

Wiring Diagram For Lt2000 Riding Lawn Mower Automotive Block ...

How To Remove and Restore 42" Mower Deck Sears Craftsman ... Service and restore a Craftsman Riding Lawnmower COMMON Cutting DECK. 42" inch model. Remove change Replace belt, blades. Restoring a Riding Lawn Mower cut...

Electrolux Home Products decks by crigby

Electrolux Home Products decks by crigby

Craftsman 42 mower deck belt diagram Here is a picture gallery about craftsman mower deck parts diagram complete with the description of the image please find the image you need. Craftsman dyt 4000 belt diagram best of 42 mower deck. Another Craftsman Lt1000 42 Deck Belt Replacement Oil Change regarding measurements 1280 X 720.

Craftsman Ride On Mower Drive Belt Clearance Sale, UP TO 61 ...

Craftsman Ride On Mower Drive Belt Clearance Sale, UP TO 61 ...

Craftsman LT2000 Parts LT 2000 Parts Listings. View or print the Sears Craftsman LT2000 Parts List. The LT2000 model was sold by Sears Company under the brand of Craftsman for many years. If you need the Sears Craftsman LT2000 Parts List, we have provided it below. Click here to view LT 2000 Parts Listing.

Pin on sears lt2000

Pin on sears lt2000

Craftsman lt2000 mower deck parts diagram by i874 - Issuu Get craftsman lt2000 mower deck parts diagram PDF file for free from our online library. PDF Subject: CRAFTSMAN LT2000 MOWER DECK PARTS DIAGRAM Its strongly suggested to begin browse the Intro ...

Cub Cadet LTX1046VT Tractor (2010 & After) 13VR91AT009 (2010 ...

Cub Cadet LTX1046VT Tractor (2010 & After) 13VR91AT009 (2010 ...

Amazon.com: Craftsman LT2000 Parts Spindles Fit for Craftsman 42 inch Deck Mower - Spindle Assembly Fit for Poulan Husqvarna Sears Craftsman LT1000 LT2000 LTX1000 Riding Mower with 36" 38" 42" Cutting Deck, Replace 130794, 137641. 4.8 out of 5 stars. 37.

Riding Mower 42-inch Deck Belt - Original Equipment Genuine Part (OEM)

Riding Mower 42-inch Deck Belt - Original Equipment Genuine Part (OEM)

Craftsman Riding Mower Drive Belt Diagram- A Step By Step ... Anti-Sway Bar: It's a metal part that fastens to the mower frame and the mower deck to reduce the mower's side-to-side movement. Front link: The front link attaches the mower's front deck to the bracket under the front axle. The job of the link is to help level the deck both up and down. How to Install/Replace Craftsman Riding Mower Drive ...

Have a question about Arnold Replacement 42 in. Drive Belt ...

Have a question about Arnold Replacement 42 in. Drive Belt ...

Wiring Diagram For Lt2000 Riding Lawn Mower Automotive ... Apr 8, 2021 - Craftsman Lt2000 Wiring Diagram . Craftsman Lt2000 Wiring Diagram Unique. Craftsman Lawn Mower Wiring Diagram - Wiring Diagram Collection. Wiring Diagram for Craftsman Riding Lawn Mower Collection. Craftsman Lt2000 Wiring Diagram - Wiring Diagram Collection

Craftsman LT2000 Manuals | ManualsLib

Craftsman LT2000 Manuals | ManualsLib

Craftsman riding lawn mower manual parts diagram - United ... Tagged: craftsman lawn mower engine diagram, craftsman lawn mower. Jeremywell NEW CRAFTSMAN 42″ RIDING LAWN MOWER DECK BELT # 144959 POULAN PP 12012 532144959 (1) Brand New OEM Replacement Parts OEM Replacement Parts Spindle For Craftsman Riding Mower 42 46 48 54 Deck LT2000 YT3000 YTS4000 YS4500. Sold by tradeyts an eBay Marketplace seller. .

craftsman drive belt diagram,Limited Time Offer,slabrealty.com

craftsman drive belt diagram,Limited Time Offer,slabrealty.com

Wiring Diagram For Craftsman Lawn Mower - Wiring Diagram ... Craftsman Lt2000 Deck Parts Diagram Golaballos Com Craftsman Ys4500 Mower Deck Belt Diagram Outlet Golaballos Com Solved Where Are All The Safety Switches On Craftsman Lawn Tractor Riding Mower Ifixit I M Looking For Help A Craftsman Lt2000 Riding Lawnmower Am Ing The Fuse Everytime Try To Start Engine ...

Craftsman Riding Lawn Mower Deck Return Spring #532401971

Craftsman Riding Lawn Mower Deck Return Spring #532401971

Craftsman mower deck brake bar broke?? - Lawn Mower Forum Hello everyone, I am new to the forum and looking for some help I have a Craftsman LT2000 21HP 46" deck mower that seems to have a brake issue on the deck I don't have the photos yet but will add them when I get home later but can anyone tell me where the brake bar actually attaches too? It looks like it should be attached to the pad section but no matter where I attempt to place it it doesn't ...

MTD 13BL78ST099 (247.288853) (LT2000) (2013) Parts Diagram ...

MTD 13BL78ST099 (247.288853) (LT2000) (2013) Parts Diagram ...

craftsman lt1000 drive belt diagram,www.magnetoenergy.it

craftsman lt1000 drive belt diagram,www.magnetoenergy.it

craftsman lt2000 drive belt replacement,royaltechsystems.co.in

craftsman lt2000 drive belt replacement,royaltechsystems.co.in

craftsman lt2000 deck belt diagram> OFF-67%

craftsman lt2000 deck belt diagram> OFF-67%

craftsman lt2000 drive belt replacement,royaltechsystems.co.in

craftsman lt2000 drive belt replacement,royaltechsystems.co.in

Craftsman Lawn Tractor | 917273140 | eReplacementParts.com

Craftsman Lawn Tractor | 917273140 | eReplacementParts.com

Craftsman 247.288843 (13BJ78SS099) - Craftsman LT2000 Lawn ...

Craftsman 247.288843 (13BJ78SS099) - Craftsman LT2000 Lawn ...

craftsman 42 inch deck belt,New daily offers,egeplast.com.tr

craftsman 42 inch deck belt,New daily offers,egeplast.com.tr

craftsman lt2000 drive belt replacement,debisschop.be

craftsman lt2000 drive belt replacement,debisschop.be

Craftsman LT 2000 riding mower.Is there a diagram anywhere to ...

Craftsman LT 2000 riding mower.Is there a diagram anywhere to ...

SOLVED: How to replace drive belt on Craftsman riding mower ...

SOLVED: How to replace drive belt on Craftsman riding mower ...

Wiring Diagram For Lt2000 Riding Lawn Mower Automotive Block ...

Wiring Diagram For Lt2000 Riding Lawn Mower Automotive Block ...

craftsman lt2000 drive belt replacement,debisschop.be

craftsman lt2000 drive belt replacement,debisschop.be

SOLVED: How long is a craftsman lt2000 mower deck vbelt - Fixya

SOLVED: How long is a craftsman lt2000 mower deck vbelt - Fixya

Venta > craftsman lt2000 deck belt size > en stock

Venta > craftsman lt2000 deck belt size > en stock

Download lt2000 images for free

Download lt2000 images for free

CRAFTSMAN LT2000 46

CRAFTSMAN LT2000 46" Riding Lawn Mower Deck Assembly 683 ...

Craftsman lt2000 mower deck parts diagram by u892 - Issuu

Craftsman lt2000 mower deck parts diagram by u892 - Issuu

CRAFTSMAN 42-in Deck Belt for Riding Mower/Tractors (1/2-in W ...

CRAFTSMAN 42-in Deck Belt for Riding Mower/Tractors (1/2-in W ...

DIAGRAM] Craftsman Lt2000 Deck Diagram FULL Version HD ...

DIAGRAM] Craftsman Lt2000 Deck Diagram FULL Version HD ...

How To Remove and Restore 42

How To Remove and Restore 42" Mower Deck Sears Craftsman Riding Mower

I need belt diagram for craftsman lt2000 riding mower

I need belt diagram for craftsman lt2000 riding mower

Cub Cadet Z-Force 60 Kawasaki 17AI3AGJ 17AI3AGJ709 ...

Cub Cadet Z-Force 60 Kawasaki 17AI3AGJ 17AI3AGJ709 ...

craftsman lt2000 drive belt diagram,Limited Time Offer ...

craftsman lt2000 drive belt diagram,Limited Time Offer ...

SOLVED: How to replace drive belt on Craftsman riding mower ...

SOLVED: How to replace drive belt on Craftsman riding mower ...

247.289050 (13AL79SS099) - Craftsman LT2000 Lawn Tractor ...

247.289050 (13AL79SS099) - Craftsman LT2000 Lawn Tractor ...

0 Response to "41 craftsman lt2000 mower deck diagram"

Post a Comment

Iklan Atas Artikel

Iklan Tengah Artikel 1

Iklan Tengah Artikel 2

Iklan Bawah Artikel