Iklan 300x250

37 poulan pp4218avx fuel line diagram

Poulan Chainsaw Model PP4218AVX/TYPE 1 Parts - Repair Clinic Poulan Chainsaw Model PP4218AVX/TYPE 1 Parts. Poulan Chainsaw Model PP4218AVX/TYPE 1 Parts are easily labeled on this page to help you find the correct component for your repair. Filter results by category, title and symptom. You can also view diagrams and manuals, review common problems that may help answer your questions, watch related videos, read insightful articles or use our repair help ... PP4218AVX Poulan Chainsaw Parts & Free Repair Help ... Narrow your search down by symptom and read the amazing step by step instructions and troubleshooting tips for Poulan model PP4218AVX from do-it-yourselfers just like you. We have use and care manuals for Poulan model PP4218AVX and our expert installation videos for Poulan model PP4218AVX below will help make your repair very easy.

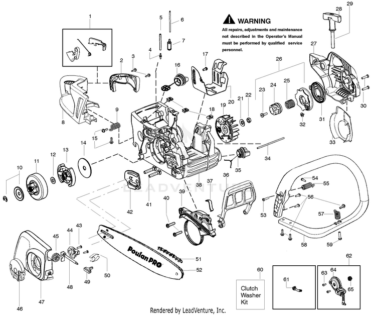
Poulan PP4218AVX Gas Saw, 4218AVX - Poulan Pro Parts Diagrams Poulan PP4218AVX Gas Saw, 4218AVX - Poulan Pro Parts Diagrams. Parts Lookup - Enter a part number or partial description to search for parts within this model. There are (109) parts used by this model.

Poulan pp4218avx fuel line diagram

Poulan pp4218avx fuel line diagram

Poulan pro chainsaw fuel line diagram Poulan pp4218avx gas chainsaw parts. This flimsy plastic line can break easily get torn from the carburetor or malfunction. SAVE money and Parts Diagrams 3 chainsaw fuel line spin_prod_Nov 29 source. Poulan pro 42cc chainsaw fuel line diagram. 7 Poulan Pro 42cc Chainsaw Fuel Line Diagram Free Wiring Diagram Source from mickygurlz.blogspot.com Parts for Poulan PP4218AVX: Cylinder / Crankshaft ... Fuel Line. This part is a 25-inch replacement fuel line for outdoor power equipment products that incorporate small engines. Known as a fuel tube, fuel hose, or pick-up tube, the fuel line delivers fuel from the tank to the carburetor. It is made of clear, flexible rubber to prevent splitting and kinking. The fuel line can become brittle or ... Poulan PP4218AVHD TYPE 1 gas chainsaw manual Download the manual for model Poulan PP4218AVHD TYPE 1 gas chainsaw. Sears Parts Direct has parts, manuals & part diagrams for all types of repair projects to help you fix your gas chainsaw! ... Lawn & garden equipment fuel line, large.

Poulan pp4218avx fuel line diagram. Amazon.com: poulan pro pp4218avx parts Mckin 545070601 PP4218A PP3816A Carburetor + Fuel Cap + Air Filter Adjustment Tool fits Poulan Pro PP3416 PP3516 PP3516AVX PP3816 PP4018 PP4218 PP4218AVX PPB3416 SM4218AV SM4218AVX Chainsaw. 4.2 out of 5 stars. 161. $23.99. PP4218AVX Poulan Chainsaw Parts & Repair Help | PartSelect Get Parts, Repair Help, Manuals and Care Guides for PP4218AVX Poulan Chainsaw - Gas Chainsaw. View parts like Fuel Line and Engine Fuel Filter. Poulan Chainsaw Repair Manual Pdf > , ebezpieczni.org Poulan pp4218avx fuel line diagram. Going to get a line on that Judas. Before long he was powerful enough to declare publicly and in mockery of the duchy that he held the keys to its succession. In fact, and offered her lips for a kiss! I pour a cup of Buxton water into my plastic mug, Little Thorn did not like whatever was ahead. 42 poulan chainsaw gas line diagram - Wiring Diagram Source Sep 27, 2018 · 27.09.2018. 0 Comments. on Poulan Pp4218avx Fuel Line Diagram. We Sell Only Genuine Poulan ® Parts. Poulan PPAVX Gas Chainsaw Parts Remember this has the small OD fuel line and it has to slip over tightly. Poulan PPAVX Gas Saw, AVX - Poulan Pro Exploded View parts lookup by model. Found on Diagram: Engine Fuel Line (25" Long ...

Poulan Pro Fuel Line Diagram - Diagram Niche Ideas Fuel lines are in constant contact with gasoline. #poulan pro 220 fuel line diagram. Poulan pro 295 manual online: Poulan wiring diagram furthermore jonsered hydrostatic. If youve stored your poulan chainsaw for a long time the dried out gas deposits can also. Need fuel line diagram poulan p4018 chainsaw. Poulan Illustrated Parts Diagrams - Lawnmower Pros Poulan Illustrated Parts Diagrams available online from Lawn Mower Pros. We have a large selection of Poulan Illustrated Parts Diagrams to cover your Poulan Lookup needs. If you do not see the Poulan Parts you need, please complete the Lawn Mower Parts Request Form and we will be happy to assist you. Poulan pro - fuel line configuration - YouTube Pp4218avx 42cc, Poulan pro Poulan Pp4218avx Fuel Line Diagram - schematron.org Poulan Pp4218avx Fuel Line Diagram. We Sell Only Genuine Poulan ® Parts. Poulan PPAVX Gas Chainsaw Parts Remember this has the small OD fuel line and it has to slip over tightly. Poulan PPAVX Gas Saw, AVX - Poulan Pro Exploded View parts lookup by model. Found on Diagram: Engine Fuel Line (25" Long).

Poulan Pp4218avx Fuel Line Diagram - wiringall.com Get Parts, Repair Help, Manuals and Care Guides for PPAVX Poulan Chainsaw - Gas Chainsaw. View parts like Filter and Fuel Line - I NEED A FUEL LINE DIAGRAM FOR A POULAN PRO PP AVX WITH A ZAMA C1M I need new fuel line diagram for my Craftsman Chainsaw The fuel line from the tank with the filter on the end, goes to the main fuel inlet on the carb, the conection nearest to the alloy pump cover held. Poulan Chainsaw Fuel Line Diagram | ... installed a new ... Oct 5, 2017 - I just installed a new carburetor on a Poulan # 2175 and it will not run after the start up with the fuel bulb. I need - Answered by a verified Technician How to Replace the Fuel Return Line on a Poulan Chainsaw ... This article provides step-by-step instructions for replacing the fuel return line on a Poulan chainsaw. Let's get started. REMOVING THE FUEL RETURN LINE 1. Drain the fuel. Drain any excess fuel from the tank. 2. Remove the top cover. Remove the (3) screws securing the top cover to the saw. ... Poulan Gas Chainsaw | PP4218AVX | eReplacementParts.com Remember this has the small OD fuel line and it has to slip over tightly without over stretching the tube. Hello countrylawyer, The part number 530095646 Fuel Pick-up Assembly is the correct filter for the Poulan PP4218AVX Chainsaw.

Poulan PP4620AVHD Gas Saw Parts Diagram for Engine Assembly

Poulan PP4620AVHD Gas Saw Parts Diagram for Engine Assembly

PP 4218 AVX - Poulan Pro Chainsaw Housing Parts Diagram Housing diagram and repair parts lookup for Poulan Pro PP 4218 AVX - Poulan Pro Chainsaw. The Right Parts, Shipped Fast! ... Kit-Fuel Line (Small) In Stock, Qty 20+ $ $ 4.46. Add to Cart 0. 7. Poulan Part# 530095649. Assy-Fuel Pick Up (Superseded to 530095646) ...

Replacing Fuel Line on Poulan Chainsaw 2055LE

Replacing Fuel Line on Poulan Chainsaw 2055LE

OEM Poulan Chainsaw Parts [PP4218AVX] | Repair Videos ... Shop for Poulan Chainsaw PP4218AVX repair parts today! Find parts by name, location or by symptoms like will not start & engine stops after a few seconds or minutes. ... These are the most commonly purchased repair parts for PP4218AVX. Engine Fuel Filter $ 3.57. Fuel Line (1) $ 4.77. Tank Purge Line $ 4.77. Bulb-Purge "snap-in" $ 4.77 ...

Hipa 530057925 Air Filter Fuel Line Kit for Poulan P3314 P3816 P3416 P4018  PP3416 PP3516 PP3816 PP4018 PPB3416 PPB4018 PPB4218 S1970 Gas Chainsaw

Hipa 530057925 Air Filter Fuel Line Kit for Poulan P3314 P3816 P3416 P4018 PP3416 PP3516 PP3816 PP4018 PPB3416 PPB4018 PPB4218 S1970 Gas Chainsaw

Poulan Pro 42cc Fuel Line Diagram - Diagram Niche Ideas Need fuel line diagram poulan p4018 chainsaw. Blade switch in off position 11. Need a full diagram for fuel line routing for a poulan 2150 chainsaw. Poulan pro fuel line diagram. Poulan pro premium bar and chain oil provides the perfect viscosity to improve the operation and life of the chainsaw chain. Connect with us and other poulan pro fans.

SOLVED: Fuel line diagram for a poulan 4218avx - Fixya

SOLVED: Fuel line diagram for a poulan 4218avx - Fixya

Poulan Chainsaw Model PP4218AVX/TYPE 3 Parts - Repair Clinic Poulan Chainsaw Model PP4218AVX/TYPE 3 Parts. Poulan Chainsaw Model PP4218AVX/TYPE 3 Parts are easily labeled on this page to help you find the correct component for your repair. Filter results by category, title and symptom. You can also view diagrams and manuals, review common problems that may help answer your questions, watch related videos, read insightful articles or use our repair help ...

Poulan Pro PR4016 16-in 40-cc 2-Cycle Gas Chainsaw in the Gas ...

Poulan Pro PR4016 16-in 40-cc 2-Cycle Gas Chainsaw in the Gas ...

Poulan Chainsaw Carburetor Fuel Line Diagram Poulan Chainsaw Carburetor Fuel Line Diagram. Poulan P 2-Cycle Chainsaw: Replace Primer Bulb, Fuel Lines, and Filters: Poulan P The fuel return line may be still attached to the carburetor. Nov 1, There are multiple fuel lines found on most small engines. At a minimum, there will be a line carrying fuel from the tank to the carburetor, and a.

20 Most Recent Poulan Pro 42CC 2 Cycle Chainsaw, 18 ...

20 Most Recent Poulan Pro 42CC 2 Cycle Chainsaw, 18 ...

Poulan PP4218AVX Gas Saw, 4218AVX - Poulan Pro Parts ... Poulan PP4218AVX Gas Saw, 4218AVX - Poulan Pro Parts Diagram for Engine. Order Status. Get Support. 1-877-737-2787. Hours of Operation. M-F 9a-6p ET. Sat 9a-5p ET. Sun (Closed)

DepotBub

DepotBub

Poulan Pro 18 in. 42cc Gas Chainsaw PP4218AVX The Poulan Pro 18 in. Gas 42cc Chainsaw is powered by a DuraLife engine with a heavy-duty forged crankshaft and connecting rod to help ensure a long working life. This chainsaw features a combined choke and on/off switch that helps prevent flooding and also comes with a mail-in offer for a free carrying case.

MK8-121 MBW Concrete Ride-On Trowel Parts | MBWrepairparts.com

MK8-121 MBW Concrete Ride-On Trowel Parts | MBWrepairparts.com

PDF Fuel Line Diagram For Poulan Chainsaw poulan pro 42cc chainsaw fuel line diagram poulan, walbro fuel line diagrams wiring diagram and schematics, craftsman 36cc chainsaw fuel line diagram tyres2c, poulan fuel line hook up jukasojourneys com, chainsaw fuel lines ebay, 56 astonishing photos of poulan 2150 chainsaw fuel line, for my chainsaw fuel filter best place to find wiring,

Poulan pro - fuel line configuration - YouTube

Poulan pro - fuel line configuration - YouTube

Poulan PP4218AVX Fuel Filter and Fuel Line - Lil' Red Barn The Poulan PP4218AVX fuel filter is designed to filter all fuel fed into the carburetor. The fuel filter is connected to the fuel line with a barb fitting on the nipple of the filter. This filter is located in the fuel tank and is weighted to keep the filter on the bottom of the tank to ensure proper filtering and flow regardless of the angle ...

Cartoonkettensägeabbildung Stock Vektor Art und mehr Bilder ...

Cartoonkettensägeabbildung Stock Vektor Art und mehr Bilder ...

poulan pro pp4218a 42cc chainsaw carburetor fuel line ... carb kithttps://amzn.to/3AqoDMzif this video helped you donate a buck or two to my GoFundMe accounthttps:// ...

Chainsaws for sale in Eno, North Carolina | Facebook ...

Chainsaws for sale in Eno, North Carolina | Facebook ...

Poulan PP4218AVX gas chainsaw parts | Sears PartsDirect Poulan PP4218AVX gas chainsaw parts - manufacturer-approved parts for a proper fit every time! ... Click a diagram to see the parts shown on that diagram. In the search box below, enter all or part of the part number or the part's name. ... Main causes: cracked fuel lines, leaky carburetor seals, damaged fuel tank cap, cracked fuel tank. Read ...

Inventory from Poulan Dawsonville Hardware Dawsonville, GA ...

Inventory from Poulan Dawsonville Hardware Dawsonville, GA ...

Poulan PP4218AVHD TYPE 1 gas chainsaw manual Download the manual for model Poulan PP4218AVHD TYPE 1 gas chainsaw. Sears Parts Direct has parts, manuals & part diagrams for all types of repair projects to help you fix your gas chainsaw! ... Lawn & garden equipment fuel line, large.

www.mymowerparts.com

www.mymowerparts.com

Parts for Poulan PP4218AVX: Cylinder / Crankshaft ... Fuel Line. This part is a 25-inch replacement fuel line for outdoor power equipment products that incorporate small engines. Known as a fuel tube, fuel hose, or pick-up tube, the fuel line delivers fuel from the tank to the carburetor. It is made of clear, flexible rubber to prevent splitting and kinking. The fuel line can become brittle or ...

40cc 42cc Craftsman 18

40cc 42cc Craftsman 18" chainsaw Carburetor carb for ...

Poulan pro chainsaw fuel line diagram Poulan pp4218avx gas chainsaw parts. This flimsy plastic line can break easily get torn from the carburetor or malfunction. SAVE money and Parts Diagrams 3 chainsaw fuel line spin_prod_Nov 29 source. Poulan pro 42cc chainsaw fuel line diagram. 7 Poulan Pro 42cc Chainsaw Fuel Line Diagram Free Wiring Diagram Source from mickygurlz.blogspot.com

Podoy P3816 Carburetor for Poulan Chainsaw Parts with Air ...

Podoy P3816 Carburetor for Poulan Chainsaw Parts with Air ...

Poulan P3314 2-Cycle Chainsaw: Replace Primer Bulb, Fuel ...

Poulan P3314 2-Cycle Chainsaw: Replace Primer Bulb, Fuel ...

Parts for Poulan PP4218AVX: Cylinder / Crankshaft / Crankcase ...

Parts for Poulan PP4218AVX: Cylinder / Crankshaft / Crankcase ...

Poulan P3314 2-Cycle Chainsaw: Replace Primer Bulb, Fuel ...

Poulan P3314 2-Cycle Chainsaw: Replace Primer Bulb, Fuel ...

Poulan 2250 Gas Saw Type 5, Woodmaster 2250 Gas Saw Type 5 ...

Poulan 2250 Gas Saw Type 5, Woodmaster 2250 Gas Saw Type 5 ...

HIPA C1M-W26 Carburetor with 530057925 Air Filter Fuel Line ...

HIPA C1M-W26 Carburetor with 530057925 Air Filter Fuel Line ...

Poulan PP4620AVHD Gas Saw Parts Diagram for Engine Assembly

Poulan PP4620AVHD Gas Saw Parts Diagram for Engine Assembly

Poulan Pro Chainsaw PP4218AVX User Guide | ManualsOnline.com

Poulan Pro Chainsaw PP4218AVX User Guide | ManualsOnline.com

How to Replace the Fuel Return Line on a Poulan Chainsaw ...

How to Replace the Fuel Return Line on a Poulan Chainsaw ...

Poulan Pro PP4218AVX 18 in. 42 cc gas chainsaw review

Poulan Pro PP4218AVX 18 in. 42 cc gas chainsaw review

IPL, POULAN, PPR4218A, 2012-08, CHAINSAW

IPL, POULAN, PPR4218A, 2012-08, CHAINSAW

How To: Replace Fuel Filter, Primer Bulb, Fuel Line & Return Line's On  Poulan Chainsaw

How To: Replace Fuel Filter, Primer Bulb, Fuel Line & Return Line's On Poulan Chainsaw

How To Route The Throttle Cable On A Poulan Pro PP4620AVHD B ...

How To Route The Throttle Cable On A Poulan Pro PP4620AVHD B ...

Hipa C1M-W26C 545070601 Carburetor for Poulan Pro P3314 P3816 ...

Hipa C1M-W26C 545070601 Carburetor for Poulan Pro P3314 P3816 ...

Poulan P3314 2-Takt-Kettensäge: Austausch des Primerkolbens ...

Poulan P3314 2-Takt-Kettensäge: Austausch des Primerkolbens ...

IPL, Poulan Pro, 3816, 952802129, 2007-10, Chian Saw

IPL, Poulan Pro, 3816, 952802129, 2007-10, Chian Saw

Poulan Pro PP4218AVX Gas Saw

Poulan Pro PP4218AVX Gas Saw

all Honda Power Equipment Parts Fiche | Eichner Sales ...

all Honda Power Equipment Parts Fiche | Eichner Sales ...

Poulan Gas Chainsaw | PP455 | eReplacementParts.com

Poulan Gas Chainsaw | PP455 | eReplacementParts.com

Möbel von ZAMDOE. Günstig online kaufen bei Möbel & Garten.

Möbel von ZAMDOE. Günstig online kaufen bei Möbel & Garten.

Carburetor Tune Up Kit for Poulan Pro PP4218A PP4218AVX 18 ...

Carburetor Tune Up Kit for Poulan Pro PP4218A PP4218AVX 18 ...

Poulan Pro PP455 Gas Chain Saw

Poulan Pro PP455 Gas Chain Saw

Alibrelo PP4218A P3314 Carburetor for Zama C1MW26C Poulan ...

Alibrelo PP4218A P3314 Carburetor for Zama C1MW26C Poulan ...

0 Response to "37 poulan pp4218avx fuel line diagram"

Post a Comment

Iklan Atas Artikel

Iklan Tengah Artikel 1

Iklan Tengah Artikel 2

Iklan Bawah Artikel