Iklan 300x250

40 yard machine rear tine tiller parts diagram

Yard Machines Tiller Replacement Parts | Fast Shipping at ... Quality Yard Machines Tiller Replacement Parts From Repair Clinic. For serious garden enthusiasts, a Yard Machines tiller, like the 21AA404B000 model with an 18-inch till width and a 205cc Briggs and Stratton OHV engine, is what's required to get the job done right. Tiller Replacement Parts - RCPW RCPW is the place to shop for replacement tiller and cultivator parts. We have replacement parts for the engines on these machines as well as replacement tines, linkage, cables and more. Can't find the part you need? Call us at 330-468-2641 or use our free exploded diagrams to find the item that fits your machine.

MTD Yard Machines Parts Lookup by Model MTD Yard Machines Exploded View parts lookup by model. Complete exploded views of all the major manufacturers. ... MTD Yard Machines Parts Diagrams 11-Push Walk-Behind Mowers. 12-Self-Propelled Walk-Behind Mowers. 13-Lawn Tractors. 14-Garden Tractors. 17-Z-Series. 18-Electric Mowers. 21-Tillers. 24-Blowers. 24-Chipper-Shredder & Vacs. 24-Log ...

Yard machine rear tine tiller parts diagram

Yard machine rear tine tiller parts diagram

Garden Tiller and Cultivator Parts | MTD Parts Find the tiller parts, including blades, belts, tines, seals and replacement part kits, that fit your MTD outdoor power equipment. When you need garden tiller replacement parts, browse the wide selection from MTD. Our Part Finder makes it easy to find the parts you need. 372 Results. Yard Machines 21A-422B129 - Yard Machines Tiller (1998 ... Handle & Tine diagram and repair parts lookup for Yard Machines 21A-422B129 - Yard Machines Tiller (1998) (Home Depot) Order Status Customer Support 512-288-4355 My Account Login to your PartsTree.com to view your saved list of equipment. Shop Yard Machines Parts | MTD Parts Find Parts by Diagram. Find all the genuine replacement parts for Yard Machines™ on our Parts Diagram. We carry everything for your machine and the Parts Diagram helps visualize every component found in your equipment. Give it a try and if you can't find what you are looking for or need assistance installing the new part, call 1-800-269-6215 ...

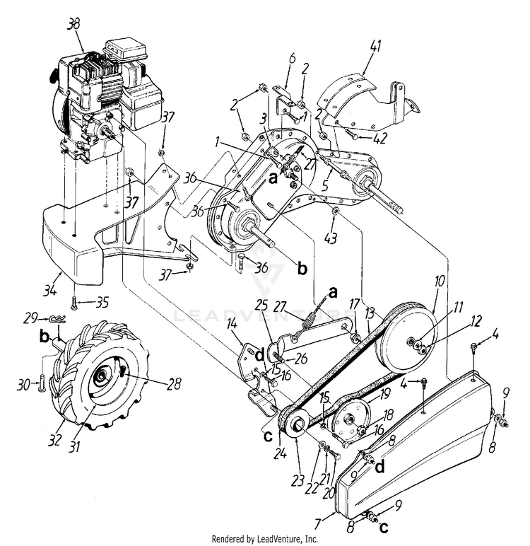
Yard machine rear tine tiller parts diagram. PDF Yard Pro 17 Tiller Parts Manual Yard Machines Tiller: Model 95220/1991 Parts & Repair Help ... Rear tine tiller parts for all major rear tine tiller brands - manufacturer-approved parts for a proper fit every time! We also have installation guides, diagrams and manuals to help you along the way! Rear tine tiller parts ¦ Sears PartsDirect MTD 6 HP Rear Tine Tiller - e Replacement Parts Need to fix your 21AA413B129 (2003) 6 HP Rear Tine Tiller? Use our part lists, interactive diagrams, accessories and expert repair advice to make your repairs easy. Please note shipping times may be longer than expected due to carrier delays. Yard Machines 21AA413B700 - Yard Machines Tiller (2005 ... General Assembly diagram and repair parts lookup for Yard Machines 21AA413B700 - Yard Machines Tiller (2005) Order Status Customer Support 512-288-4355 My Account Login to your PartsTree.com to view your saved list of equipment. MTD Rear Tine Tiller - e Replacement Parts Hex Bolt 1/ 4-28 x .75\ \ \ \. $4.84. Part Number:710-0412. Ships in 4 - 9 business days. checkmark. Ships in 4 - 9 business days. Note: for Faster Service Obtain Standard Nuts, Bolts and Washers Locally. if These Items Cannot Be Obtained Locally, Order by Part Num. $4.84. Ships in 4 - 9 business days.

Rear tine tiller parts | Sears PartsDirect Rear tine tiller parts for all major rear tine tiller brands - manufacturer-approved parts for a proper fit every time! We also have installation guides, diagrams and manuals to help you along the way! Yard Machines Tiller Parts - 02/2022 Yard Machines Tillers Parts with Diagrams - PartsTree Best . Yard Machines Tillers parts with OEM Yard Machines parts diagrams to find Yard Machines Tillers repair parts quickly and easily Order Status Customer Support 512-288-4355 My Account Login to your PartsTree.com to view your saved list of equipment. PDF Dual Rotating Rear Tine Tiller - YARDMAX® This machine is a gasoline engine driven rear tine tiller. It is a durable, versatile and efficient machine, and it is both easy and safe to operate. With proper use and care, it should give you many years of dependable service. ENGINE MANUAL The Engine Manufacturer is responsible for all engine-related issues regarding performance, power rating, MTD 215-410-131 (1995) Parts Diagram for Rear Tine Tiller ... MTD 215-410-131 (1995) Rear Tine Tiller - Lower Assembly Exploded View parts lookup by model. Complete exploded views of all the major manufacturers. It is EASY and FREE

Yard Machine Tiller Parts Diagram - 02/2022 Yard Machines Rear-Tine Tiller - 21AA40M7752 | MTD Parts Offer . Find parts for your Yard Machines Rear-Tine Tiller. Parts diagrams and manuals available. Free shipping on parts orders over $45. OEM Yard Man Tiller Parts | Expert DIY Repair Help & Fast ... Popular Yard Man Tiller Parts. $ 18.89. In Stock. Add to cart. 13" Articulating Tine. Fix Number FIX10007424. Manufacturer Part Number 742-0305A-0637. Designed for use with various Ryobi tillers, this OEM replacement part is also compatible with some MTD, Yard-Man, and Yard Machine Tillers. To ensure this part is compatible with your tiller ... Yard Machines Rear Tine Tiller 6 Hp - e Replacement Parts Need to fix your 21AA413B729 Rear Tine Tiller 6 Hp? Use our part lists, interactive diagrams, accessories and expert repair advice to make your repairs easy. ... Repair Parts Home Home Office Parts Yard Machines Parts Yard Machines Tiller Parts Yard Machines 21AA413B729 Rear Tine Tiller 6 Hp Parts. Free MTD Tiller User Manuals - ManualsOnline.com MTD Tiller 215-100AB2. MTD Vertical Rotary Tiller Owner's Operating Service Instruction Manual. Pages: 12. See Prices.

Amazon.com : Yard Machines 195cc Rear Tine Tiller ...

Amazon.com : Yard Machines 195cc Rear Tine Tiller ...

Garden Tiller and Cultivator Tines | MTD Parts Browse a wide selection of tines that will accompany all your MTD Garden Tillers and cultivators. Find any tine, tine assembly or tine kit by browsing our list of products or quickly search by part number.MTD has the tiller tines you need for your outdoor power equipment.

Yard Man Tiller | 215-447-401 | eReplacementParts.com

Yard Man Tiller | 215-447-401 | eReplacementParts.com

MTD 21AA40M1029 rear-tine tiller parts | Sears PartsDirect MTD 21AA40M1029 rear-tine tiller parts - manufacturer-approved parts for a proper fit every time! We also have installation guides, diagrams and manuals to help you along the way!

YARDMAX 18 in. 208cc Dual Rotating Rear Tine Tiller Briggs ...

YARDMAX 18 in. 208cc Dual Rotating Rear Tine Tiller Briggs ...

21AA413B729 - Yard Machines Tiller at | MTD Parts Need parts for your model 21AA413B729 - Yard Machines Tiller? We have the OEM parts that you're looking for! Parts orders over $50 ship free. All orders placed before 5 pm ship next day.

MTD 21AB454A062 Rear Tine Gas Tiller Owner's Manual | Manualzz

MTD 21AB454A062 Rear Tine Gas Tiller Owner's Manual | Manualzz

Yard Machine Tiller Parts - Sears Generic Gasket Carburetor For Yard Machine 13AF660G352 Lawn Tractor 17.5HP. 0. Sold by SPU Parts. $15.31 $14.55.

Craftsman 247299320 rear-tine tiller parts | Sears PartsDirect

Craftsman 247299320 rear-tine tiller parts | Sears PartsDirect

AYP/Electrolux 95220 (1999 & Before) Parts Diagram for ... AYP/Electrolux 95220 (1999 & Before) TILLER-TRANSMISSION Exploded View parts lookup by model. Complete exploded views of all the major manufacturers. It is EASY and FREE

YARD MACHINES 410 OPERATOR'S MANUAL Pdf Download | ManualsLib

YARD MACHINES 410 OPERATOR'S MANUAL Pdf Download | ManualsLib

MTD Tillers Parts with Diagrams - PartsTree Parts lookup and repair parts diagrams for outdoor equipment like Toro mowers, Cub Cadet tractors, Husqvarna chainsaws, Echo trimmers, Briggs engines, etc.

belt diagram for Gilson rear tine tillers

belt diagram for Gilson rear tine tillers

Yard Machines Rear-Tine Tiller - 21AA40M7752 | MTD Parts Find parts for your Yard Machines Rear-Tine Tiller. Parts diagrams and manuals available. Free shipping on parts orders over $45.

Honda Rear Tine Tiller FRC800K1A - iFixit

Honda Rear Tine Tiller FRC800K1A - iFixit

MTD Rear Tine Tiller | 21A-410-352 | eReplacementParts.com Need to fix your 21A-410-352 (1997) Rear Tine Tiller? Use our part lists, interactive diagrams, accessories and expert repair advice to make your repairs easy. Please note shipping times may be longer than expected due to carrier delays.

Sears Craftsman 5hp Walk Behind Rear Tine Tiller Owner & Parts Manual  917.299691 | eBay

Sears Craftsman 5hp Walk Behind Rear Tine Tiller Owner & Parts Manual 917.299691 | eBay

Yard Machines Tillers Parts with Diagrams - PartsTree Yard Machines Tillers parts with OEM Yard Machines parts diagrams to find Yard Machines Tillers repair parts quickly and easily

huskee tiller parts list and diagram.

huskee tiller parts list and diagram.

Yard Machines Tiller Parts | Fast Shipping ... Yard Machines Tiller parts that fit, straight from the manufacturer. Use our interactive diagrams, accessories, and expert repair help to fix your Yard Machines Tiller . Please note shipping times may be longer than expected due to carrier delays. 877-346-4814. Departments ...

Dual Rotating Rear Tine Tiller

Dual Rotating Rear Tine Tiller

Yard Machines 21A-422B129 - Yard Machines Tiller (1999 ... Drive Assembly diagram and repair parts lookup for Yard Machines 21A-422B129 - Yard Machines Tiller (1999) (Home Depot)

Re: belt diagram for Gilson rear tine tillers

Re: belt diagram for Gilson rear tine tillers

Shop Yard Machines Parts | MTD Parts Find Parts by Diagram. Find all the genuine replacement parts for Yard Machines™ on our Parts Diagram. We carry everything for your machine and the Parts Diagram helps visualize every component found in your equipment. Give it a try and if you can't find what you are looking for or need assistance installing the new part, call 1-800-269-6215 ...

Toro 22045 - Recycler Mower, 1999 (9900001-9999999) HOUSING ...

Toro 22045 - Recycler Mower, 1999 (9900001-9999999) HOUSING ...

Yard Machines 21A-422B129 - Yard Machines Tiller (1998 ... Handle & Tine diagram and repair parts lookup for Yard Machines 21A-422B129 - Yard Machines Tiller (1998) (Home Depot) Order Status Customer Support 512-288-4355 My Account Login to your PartsTree.com to view your saved list of equipment.

toothed belt. toothed belt guard AUDI

toothed belt. toothed belt guard AUDI

Garden Tiller and Cultivator Parts | MTD Parts Find the tiller parts, including blades, belts, tines, seals and replacement part kits, that fit your MTD outdoor power equipment. When you need garden tiller replacement parts, browse the wide selection from MTD. Our Part Finder makes it easy to find the parts you need. 372 Results.

REAR TINE TILLER. Owner's Manual. Models

REAR TINE TILLER. Owner's Manual. Models " REAR TINE TILLER ...

Barreto Tillers E1320HTRLR (2016) - iFixit

Barreto Tillers E1320HTRLR (2016) - iFixit

Ryobi 215-410-000 (1995) Parts Diagrams

Ryobi 215-410-000 (1995) Parts Diagrams

Auktion - Kühlsystem für RENAULT Landmaschinen zum Verkauf ...

Auktion - Kühlsystem für RENAULT Landmaschinen zum Verkauf ...

Rotorex ROTOREX 5 217-4050 (1987) Fahrantrieb, Räder ...

Rotorex ROTOREX 5 217-4050 (1987) Fahrantrieb, Räder ...

MTD 215-420-054 (1995) Parts Diagram for Rear Tine Tiller ...

MTD 215-420-054 (1995) Parts Diagram for Rear Tine Tiller ...

Yard Machines 450 Tiller User Manual | Manualzz

Yard Machines 450 Tiller User Manual | Manualzz

Tillers & Cultivators at Lowes.com

Tillers & Cultivators at Lowes.com

Craftsman 917293401 User Manual REAR TINE TILLER Manuals And ...

Craftsman 917293401 User Manual REAR TINE TILLER Manuals And ...

Yard Machines 21A-430-062 (1997) - PartsWarehouse

Yard Machines 21A-430-062 (1997) - PartsWarehouse

Yardworks 212cc Rear Tine Tiller Canadian Tire

Yardworks 212cc Rear Tine Tiller Canadian Tire

Yard Machines 21A-410-129 (1997) - PartsWarehouse

Yard Machines 21A-410-129 (1997) - PartsWarehouse

Yard Machines 21AA412A000 (2002) - PartsWarehouse

Yard Machines 21AA412A000 (2002) - PartsWarehouse

Montgomery ward tiller manual and parts list help | My ...

Montgomery ward tiller manual and parts list help | My ...

Yard Machines 21A-415-118 (1998) - PartsWarehouse

Yard Machines 21A-415-118 (1998) - PartsWarehouse

Mustang Dual-Direction Garden Tiller

Mustang Dual-Direction Garden Tiller

MTD 21A-410-022 Tiller User Manual | Manualzz

MTD 21A-410-022 Tiller User Manual | Manualzz

Craftsman Tiller 247.29931 User Guide | ManualsOnline.com

Craftsman Tiller 247.29931 User Guide | ManualsOnline.com

Craftsman 917293311 rear-tine tiller parts | Sears PartsDirect

Craftsman 917293311 rear-tine tiller parts | Sears PartsDirect

Yard Machines Rear Tine Tiller 6 Hp | 21AA413B729 ...

Yard Machines Rear Tine Tiller 6 Hp | 21AA413B729 ...

Yard Machines 21AA412A000 (2002) - PartsWarehouse

Yard Machines 21AA412A000 (2002) - PartsWarehouse

MTD 215-447-401 (1995) Parts Diagram for Rear Tine Tiller ...

MTD 215-447-401 (1995) Parts Diagram for Rear Tine Tiller ...

Jonsered CT2105R (96091000107) - Cultivator (2010-09 ...

Jonsered CT2105R (96091000107) - Cultivator (2010-09 ...

PRTT196MD Powermate 196 cc Rear Tine Tiller

PRTT196MD Powermate 196 cc Rear Tine Tiller

Yard Machines Tiller | 216-410-000 | eReplacementParts.com

Yard Machines Tiller | 216-410-000 | eReplacementParts.com

Yard Machine by MTD Rear tine tiller 21A-422B129 | My Tractor ...

Yard Machine by MTD Rear tine tiller 21A-422B129 | My Tractor ...

0 Response to "40 yard machine rear tine tiller parts diagram"

Post a Comment

Iklan Atas Artikel

Iklan Tengah Artikel 1

Iklan Tengah Artikel 2

Iklan Bawah Artikel