Iklan 300x250

40 john deere 111 belt diagram

John Deere 111 (Belt, Drive) Riding Lawn ... - V-Belt Guys John Deere 111 (Belt, Drive) Riding Lawn Mower Replacement Belt Original Equipment Manufacturer John Deere OEM Part Number A86K Machine Riding Lawn Mower Model 111 (Belt, Drive) Belt Type 4LK/AK Aramid VBG Replacement Id APPL667249 Technical Specifications: (Inches) (mm) Outside Circumference 88.00 2235.20 Top Width 0.50 12.70 Belt Depth 0.3125 How to Change the Belt on a John Deere L111 - YouTube How to Change the Belt on a John Deere L111. When you engage your mower deck on your John Deere L111 you should expect to hear a short squealing sound as the...

John Deere 111 Parts Diagram - Automotive Parts Diagram Images Description: Wiring Diagram For A 11 Hp Model 111 John Deere Lawn Mower regarding John Deere 111 Parts Diagram, image size 998 X 753 px, and to view image details please click the image.. Truly, we also have been realized that john deere 111 parts diagram is being just about the most popular topic at this time. So that we tried to locate some terrific john deere 111 parts diagram graphic for you.

John deere 111 belt diagram

John deere 111 belt diagram

belt diagram for john deere 111 - TractorByNet 4. Location. canning N.S. Tractor. john deere m00111h291643. No this belt just runs the side pulley with fan attached to it on the rear end. Aug 5, 2013 #4. John Deere 111 lawn tractor: review and specs - Tractor Specs The John Deere 111 is a 2WD lawn tractor from the 100 Lawn series. This tractor was manufactured by the John Deere in Horicon, Wisconsin, USA from 1979 to 1985. The John Deere 111 riding mower is equipped with a 0.4 L single-cylinder gasoline engine and Belt-driven gear transmission with 5 forward and 1 reverse gear. Amazon.com: john deere 111 drive belt RINGMASH (New fits Compatible with John Deere 108 111 112L 130 160 165 170 175 PTO Mower Drive Belt M77988 38" fits Deck, 111 W 30" & 38" Deck, 111H W 30" & 38" Deck, 112L W 30" & 38" 4.6 out of 5 stars 3

John deere 111 belt diagram. John Deere 111 Lawn Tractor Parts - Mutton Power John Deere 111 Parts. The 111 Riding Lawn Tractor was produced from 1979-1985 as part of the 100 Lawn. Standard features included an 11 HP Briggs & Stratton engine, 5 speed gear transmission, independent front PTO, and a 38" mid mount mower deck. John Deere Model 111 Lawn Tractor Parts - GreenPartStore John Deere Complete Replacement Low Back Seat Assembly - TY15861 Click to view model specifics. (38) $69.73. Usually available. Add to Cart. Quick View. John Deere Complete Replacement Medium Back Seat Assembly - TY15862 Click to view model specifics. (28) $80.04. PDF John Deere 111 Parts Manual - halifax.m.wickedlocal.com Description: John Deere L130 Lawn Tractor Parts within John Deere 111 Parts Diagram, image size 410 X 410 px, and to view image details please click the image.. Here is a picture gallery about john deere 111 parts diagram complete with the description of the image, please find the image you need. John Deere 111 Parts Diagram | Automotive Parts ... TractorData.com John Deere 111 tractor information References: Operator's Manual 108, 111,112L ,116, and 116H (OMM88424-J4) published in 1984, by John Deere: Lawn Tractors and Mowers published in 1981, by John Deere

40 john deere gt235 drive belt diagram - Wiring Diagram Images John Deere Gt235 Drive Belt Diagram - General Wiring Diagram John deere gt235 drive belt diagram. I need diagram on how to replace deck belt on john deere gt235 mower go. In this easy to follow video i show you how to replace the primary deck belt on a john deere lawn tractor. John deere secondary deck drive belt m154958. John Deere 111 repairs - YouTube wasn't going to video this, but it might help someone someday John Deere Parts Diagram & Parts Search • John Deere Parts ... John Deere AG, Lawn & Garden and CWP Equipment Parts Search. John Deere parts lookup tool and diagram is an incredible online source. It is a complete catalog that shows you detailed parts diagrams of every part of your machine. This online parts catalog is robust and easy to use. Searching for your John Deere parts online has never been easier. John Deere Parts Diagrams, John Deere 111 Hydrostatic Lawn ... John Deere Parts Diagrams, John Deere 111 Hydrostatic Lawn Tractor -PC1699. Actuator,PTO Cam Arm,Drive Sheave & Belt 108 and 111 - 120000: POWER TRAIN,STEERING AND BRAKES MIA10320. AIR CLEANER: Engine,Lawn Tractor 108 AM100247.

John Deere Parts Diagrams, John Deere L111 Lawn Tractor ... John Deere PARTS LOOKUP John Deere Parts Diagrams, John Deere L111 Lawn Tractor (With 42-IN Mower Deck) Material Collection System -PC9458 Air Filter & Fuel Pump ENGINE MARKED 406577-0139-E1: FUEL AND AIR John Deere Parts Diagrams, John Deere 108, 111, 111H and ... Buy Genuine OEM John Deere parts for your John Deere 108, 111, 111H and 112L Lawn Tractors and ship today! Huge in-stock inventory of OEM John Deere parts. Belt Routing Charts - Green Tractor Talk john deere model 111 38 in mower deck belt routing i took by belts off my mower deck and now i forgot how they go on my lawn tractor is a 1980 john deere 111 with a 38 in non adjustable front lip deck help. Reactions: xjcacher. Save Share. Reply. John Deere 111 Mower Belt Diagram - Ask Me Help Desk John Deere 111 Mower Belt Diagram. I have a John Deere model 111 riding mower mid 80's with a 38" cut. Looking for a diagram to replace the blade to blade deck belt. PhilFrey. View Public Profile.

SOLVED: John Deere 925 a z track drive belt routing - Fixya

SOLVED: John Deere 925 a z track drive belt routing - Fixya

PDF John Deere 108 | 111 | 111H Parts Manual - Jensales john deere model: 1 08, 111 & 111 h lawn & garden tractor this is a manual produced by jensales inc. without the authorization of john deere or it's successors. john deere and it's successors are not responsible for the quality or accuracy of this manual. trade marks and trade names contained and used herein are those of others,

john deere 111 drive belt diagram

john deere 111 drive belt diagram

John Deere L111 Lawn Tractor Parts - Quick Parts Reference ... These John Deere Lawn Tractor Parts may include: Tune Up Kit, Spark Plug, Mower Blades, Traction Drive Belt, Transmission Belt, Mower Drive Belt, Battery, and Air Filters. If you need help finding John Deere Lawn Tractor Parts Search Using Weingartz Illustrated Diagrams to view an illustrated diagram or call us at 1-855-669-7278.

190C deere 190c lawn tractor 6 year old have a 2 to 3 sec ...

190C deere 190c lawn tractor 6 year old have a 2 to 3 sec ...

38-inch Mower Deck Parts for 111 - GreenPartStore 38-inch Mower Deck Parts for 111 - Deck Without Adjustable Front Lip Section

LX17? Drive Belt Install Tip | My Tractor Forum

LX17? Drive Belt Install Tip | My Tractor Forum

How to Change the Belt on a John Deere L111 | eHow When you engage your mower deck on your John Deere L111 you should expect to hear a short squealing sound as the drive belt grips the pulleys on the engine and mower deck. However, if while mowing, you continue to hear this squealing, you must replace the drive belt as it has worn out and is now in danger of breaking.

I have a JD 210 Lawn Tractor I am working on from a friend. I ...

I have a JD 210 Lawn Tractor I am working on from a friend. I ...

Amazon.com: john deere 111 drive belt RINGMASH (New fits Compatible with John Deere 108 111 112L 130 160 165 170 175 PTO Mower Drive Belt M77988 38" fits Deck, 111 W 30" & 38" Deck, 111H W 30" & 38" Deck, 112L W 30" & 38" 4.6 out of 5 stars 3

How do I fit a drive belt from engine to drive shaft in a ...

How do I fit a drive belt from engine to drive shaft in a ...

John Deere 111 lawn tractor: review and specs - Tractor Specs The John Deere 111 is a 2WD lawn tractor from the 100 Lawn series. This tractor was manufactured by the John Deere in Horicon, Wisconsin, USA from 1979 to 1985. The John Deere 111 riding mower is equipped with a 0.4 L single-cylinder gasoline engine and Belt-driven gear transmission with 5 forward and 1 reverse gear.

JOHN DEERE Genuine OEM Mower DRIVE BELT M90958 30

JOHN DEERE Genuine OEM Mower DRIVE BELT M90958 30" DECK 130 ...

belt diagram for john deere 111 - TractorByNet 4. Location. canning N.S. Tractor. john deere m00111h291643. No this belt just runs the side pulley with fan attached to it on the rear end. Aug 5, 2013 #4.

318 Deck Belt Routing | Weekend Freedom Machines

318 Deck Belt Routing | Weekend Freedom Machines

John Deere 111 Lawn Tractor Parts

John Deere 111 Lawn Tractor Parts

Syakila Adzkiya (syakilaadzkiya) - Profile | Pinterest

Syakila Adzkiya (syakilaadzkiya) - Profile | Pinterest

Lawn Tractors | 100 Series | John Deere US

Lawn Tractors | 100 Series | John Deere US

John Deere decks by crigby

John Deere decks by crigby

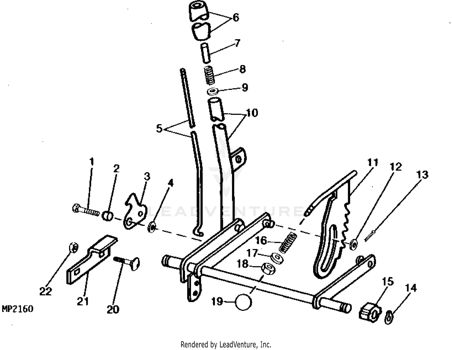
John Deere 111 Hydrostatic Lawn Tractor -PC1699 LIFT LEVER ...

John Deere 111 Hydrostatic Lawn Tractor -PC1699 LIFT LEVER ...

John Deere 111 Hydrostatic Lawn Tractor -PC1699 1982 Model ...

John Deere 111 Hydrostatic Lawn Tractor -PC1699 1982 Model ...

SOLVED: I am needing a diagram to replace the mower deck - Fixya

SOLVED: I am needing a diagram to replace the mower deck - Fixya

John Deere 111 Hydrostatic Lawn Tractor -PC1699

John Deere 111 Hydrostatic Lawn Tractor -PC1699

John Deere 108 & 111 Lawn Tractor -PC1699 HI-PERFORMANCE ...

John Deere 108 & 111 Lawn Tractor -PC1699 HI-PERFORMANCE ...

How to install a john deere 32

How to install a john deere 32" snowblower on a 111 - YouTube

John Deere 38-IN MID-MOUNT ROTARY MOWER (210, 212, 214, 216 ...

John Deere 38-IN MID-MOUNT ROTARY MOWER (210, 212, 214, 216 ...

How To Reattach a Mower Deck on A John Deere Lawn Mower

How To Reattach a Mower Deck on A John Deere Lawn Mower

John Deere Mower Deck Belt M154958 M110313 Fits GT262, GT275 GT225 GT235  GX325 OEM

John Deere Mower Deck Belt M154958 M110313 Fits GT262, GT275 GT225 GT235 GX325 OEM

Rider R112 C, Rider 111 B Jonsered FR2311 M, FR2312 MA, Cutter Deck Belt  589531401

Rider R112 C, Rider 111 B Jonsered FR2311 M, FR2312 MA, Cutter Deck Belt 589531401

Deere 111 Drive belt issue | My Tractor Forum

Deere 111 Drive belt issue | My Tractor Forum

John Deere ZTrak Belt Routing Guide | My Lawnmower Forum

John Deere ZTrak Belt Routing Guide | My Lawnmower Forum

John Deere 111 Hydrostatic Lawn Tractor -PC1699 Steering ...

John Deere 111 Hydrostatic Lawn Tractor -PC1699 Steering ...

John Deere 111 Hydrostatic Lawn Tractor -PC1699

John Deere 111 Hydrostatic Lawn Tractor -PC1699

JD 111 Mower Deck Tension Spring Placement

JD 111 Mower Deck Tension Spring Placement

John Deere 111 Hydrostatic Lawn Tractor -PC1699 LIFT LEVER ...

John Deere 111 Hydrostatic Lawn Tractor -PC1699 LIFT LEVER ...

jd 111 mower deck drive belt | My Tractor Forum

jd 111 mower deck drive belt | My Tractor Forum

Does anyone have a mowing belt diagram for a Deere LX 176 ...

Does anyone have a mowing belt diagram for a Deere LX 176 ...

john deere la145 deck belt diagram Questions & Answers (with ...

john deere la145 deck belt diagram Questions & Answers (with ...

John Deere 107cm Deck Drive Belt GX20072 X L S 100 110 120 125 145 105 107  | eBay

John Deere 107cm Deck Drive Belt GX20072 X L S 100 110 120 125 145 105 107 | eBay

TractorData.com John Deere 111 tractor information

TractorData.com John Deere 111 tractor information

How to install a Mower Deck Belt on a John Deere L110 tractor

How to install a Mower Deck Belt on a John Deere L110 tractor

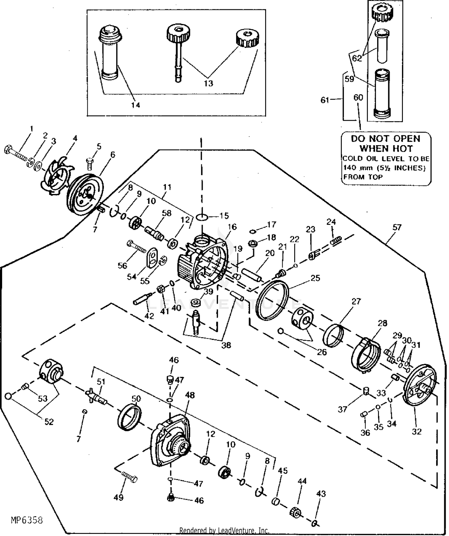
John Deere 111 Hydrostatic Lawn Tractor -PC1699 HYDROSTATIC ...

John Deere 111 Hydrostatic Lawn Tractor -PC1699 HYDROSTATIC ...

New X590 deck installation | My Tractor Forum

New X590 deck installation | My Tractor Forum

JD S240 Belt Issue | Green Tractor Talk

JD S240 Belt Issue | Green Tractor Talk

John Deere 111 Mower Deck, Approx 40

John Deere 111 Mower Deck, Approx 40" | Smith Sales LLC

GT235 drive belt replacement fun | My Tractor Forum

GT235 drive belt replacement fun | My Tractor Forum

John Deere Mähwerk, Gebrauchte Agrarfahrzeuge kaufen in Baden ...

John Deere Mähwerk, Gebrauchte Agrarfahrzeuge kaufen in Baden ...

0 Response to "40 john deere 111 belt diagram"

Post a Comment

Iklan Atas Artikel

Iklan Tengah Artikel 1

Iklan Tengah Artikel 2

Iklan Bawah Artikel