Iklan 300x250

38 John Deere 214 Belt Diagram

per-exo.it 2 päivää sitten · We have several riding lawn mower transaxles or transmissions available and seats for Ariens, Dixon, Craftsman, Cub Cadet, John Deere, Kubota and Hi, I really need some help with locating the best engine to replace another on a Toro 7-25 riding mower. 9. I have replaced the flywheel key 3 times. Here's two converted snowblower Tecumseh 5hp engines. How to Attach a John Deere 214 Snowblower - 37a Model ... How to Attach a John Deere 214 Snowblower. The 37a Snow thrower attachment for the John Deere 210, 212 and 214 is very simple to attach. I also think it wo...

innenarchitekt-duscher.de 2 päivää sitten · Replaces the standard V-belt on a table saw, lathe, jointer, drill press, etc. Within Massachusetts only. PEU3K55 Link-Belt 300 Series Heavy Duty Pillow Block Ball Bearing 10414082 PEU3K55 3 7/16 PILLOWBLK BALL BRG 793699077636 Bookmark File PDF Link Belt Excavator Wiring Diagram The basic magazine in a basic industry.

John deere 214 belt diagram

John deere 214 belt diagram

Tuff Torq K46 Oil Maintenance - General information for ... 19.5.2020 · I have a 2006 john deere 115 automatic lawn tractor that has done 1000 hrs. The hydro drive is a k46 iag460-24163. The PN AM134582 the SN 40J-0067947 also has this number on the bar code TUFF TORQ 768T2024010, I have drained the transmission completely and want to refill it with new oil. John Deere 214 Belts for sale - eBay JOHN DEERE 212 TRANSMISSION BELT DRIVE PULLEY SHEAVE M40798 110 112 210 214 216. $17.09. Was: $18.99. $7.99 shipping. or Best Offer. John Deere 214 (Belt Traction Drive) Riding Lawn Mower ... John Deere 214 (Belt Traction Drive) Riding Lawn Mower Replacement Belt Original Equipment Manufacturer John Deere OEM Part Number A72K Machine Riding Lawn Mower Model 214 (Belt Traction Drive) Belt Type 4LK/AK Aramid VBG Replacement Id APPL679348 Technical Specifications: (Inches) (mm) Outside Circumference 74.00 1879.60 Top Width 0.50 12.70 Belt

John deere 214 belt diagram. (PDF) Statistics for business economics by ... - Academia.edu Academia.edu is a platform for academics to share research papers. per-exo.it 2 päivää sitten · HOW TO REPA L> | Home. 140 Topics. If the wiring does not reveal any problem and a clutch adjustment does not resolve it, it may be time to replace the clutch. 450-456-3733 ou 450-456-3582. Replaces Bolens 1726450, Cub Cadet 395789w-R2, John Deere AM35176 , AM39653, MTD 727-0162, Onan 122-0185, Simplicity 171439, Wheelhorse 1083335. 0. John Deere 214 (Primary Variator) Riding ... - V-Belt Guys John Deere 214 (Primary Variator) Riding Lawn Mower Replacement Belt Original Equipment Manufacturer John Deere OEM Part Number M82258 Machine Riding Lawn Mower Model 214 (Primary Variator) Belt Type 5LK/BK Aramid VBG Replacement Id APPL685693 Technical Specifications: (Inches) (mm) Outside Circumference 40.00 1016.00 Top Width 0.63 15.88 Belt Depth 0.375 delta-dom.pl 1 päivä sitten · Mitsubishi 4g69 engine

47 mower deck parts for 214 - Parts for John Deere Lawn ... Click here for model 47 mower deck parts for 214; Click here for model 47 mower deck parts for 214 ARIMain - WEINGARTZ Find parts for your john deere transaxle sheave & secondary belt idler: 200,210,212,214 and 216 lawn & garden tractors with our free parts lookup tool! Search easy-to-use diagrams and enjoy same-day shipping on standard John Deere parts orders. John Deere Model 214 Lawn and Garden Tractor Parts John Deere Complete Replacement Seat Assembly - AM102953. (16) $159.40. Usually available. Add to Cart. Quick View. How to change the front-drive belt on a John Deere 110 ... This is a video on how to change the primary drive belt on a John Deere 110, 112, 200, 208, 210, 212, 214, & 216. The Part Number is: M82258The belt was abou...

John Deere 214 Parts Diagram for Belts - Jacks Small Engines John Deere 214 Belts Parts Diagram SWIPE SWIPE. Belts; Electrical Components; 214 Belts Move JavaScript Disabled - Unable to show Cart. 1. 30192707. BELT 5/8" by 40" $15.29 Add to Cart. 2. 30192733. BELT 5/8" by 67 $26.76 Add to Cart. JACK'S Newsletter. Subscribe to our email newsletter to receive promotions, helpful DIY articles, and special ... I've got a JD 214 tractor with the original mower deck ... I've got a JD 214 tractor with the original mower deck (M00673X526075). I've got a new PTO belt (M41960) to replace the old one that broke. I must be missing something because it appears to be too long. Do you have a PDF of a belt routing diagram that you could e-mail me? Thanx How To Put A Belt On A John Deere Lawn Mower Step By Step? John Deere lawn mower belt diagram. Better yet, print one out so that the graph can assist you while you're outside, repairing the belt. It's comparatively easier to take the mowing deck off the lawnmower. First up, you must check for a deckle and a sticker on top of the deck. John Deere Parts Diagram & Parts Search • John Deere Parts ... John Deere AG, Lawn & Garden and CWP Equipment Parts Search. John Deere parts lookup tool and diagram is an incredible online source. It is a complete catalog that shows you detailed parts diagrams of every part of your machine. This online parts catalog is robust and easy to use. Searching for your John Deere parts online has never been easier.

John Deere 7200 Max Emerge 2 planter in Rich Hill, MO | Item ...

John Deere 7200 Max Emerge 2 planter in Rich Hill, MO | Item ...

PDF John Deere 200 | 210 | 212 | 214 | 216 Parts Manual john deere model: 200,210,212,214 & 216 lawn & garden tractors this is a manual produced by jensales inc. without the authorization of john deere or it's successors. john deere and it's successors are not responsible for the quality or accuracy of this manual. trade marks and trade names contained and used herein are those of others,

48

48" JOHN DEERE 212 Mower Deck Lawn And Garden Tractor Parts ...

PDF Belt Diagram For John Deere D140 - homes.onlineathens.com 31 John Deere 214 Belt Diagram - Wiring Diagram List John deere l120 mower deck belt diagram. Enjoy the john deere 48 in. Besides the part numbers and codes for john deere. John deere mower deck front draft arm gx20497 34 1562. The prices you see there are the current prices of the current partsthe original image is part of the 48 mower deck.

216 Tosses secondary drive belt | My Tractor Forum

216 Tosses secondary drive belt | My Tractor Forum

Operator's Manual for John Deere 210, 212, 214, and 216 ... Also included is a wiring diagram for serials 70,001 to 190,000. john-deere-operators-manual-210-212-214-216-lawn-garden-tractor (38MB) wiring-diagram-john-deere-210-212-214-216-garden-tractor (375KB) One more tip: To Change Drive Belt. Jack up the right side of tractor; Take off the right rear tire; Lift the front pully up and hold in place ...

Damewood Auctioneers

Damewood Auctioneers

IKARI SHODOKU CO.,Ltd. JAPAN IKARI SHODOKU CO., LTD,japan,pest control management,food &health safety consulting

214 throws/melts deck drive belt | Weekend Freedom Machines

214 throws/melts deck drive belt | Weekend Freedom Machines

JD 214 belt diagram - tractorbynet.com John Deere; John Deere Owning/Operating; JD 214 belt diagram; Results 1 to 1 of 1 Thread Tools. Show Printable Version; Display. Linear Mode; Switch to Hybrid Mode; Switch to Threaded Mode; 08-21-2002, 12:20 AM #1. Maker102. View Profile View Forum Posts

NEWBIE/ need help w/ a John Deere 216 | My Tractor Forum

NEWBIE/ need help w/ a John Deere 216 | My Tractor Forum

What Size Belt Is Needed for a John Deere 214 Mowing Deck ... The 214 John Deere riding mower was part of the 200 series that John Deere manufactured between 1975 and 1987. The two other mowers in the series, the 212 and the 216, differed in size from the ...

How to route belt on my JD 210 | My Tractor Forum

How to route belt on my JD 210 | My Tractor Forum

John Deere 214 Parts Diagrams - Jacks Small Engines John Deere 214 Parts Diagrams. Parts Lookup - Enter a part number or partial description to search for parts within this model. There are (5) parts used by this model. 12v, 10 tooth, PMGR starter, CCW rotation. For 12v systems, 14.4 volt set.

John Deere LA150-190C-G110 54

John Deere LA150-190C-G110 54" Deck Parts

ARIMain - WEINGARTZ Find parts for your john deere variator clutch & drive belts 210,212,214 and 216: 200,210,212,214 and 216 lawn & garden tractors with our free parts lookup tool! Search easy-to-use diagrams and enjoy same-day shipping on standard John Deere parts orders.

Mopar 5066599AA

Mopar 5066599AA

JOHN DEERE - Service Manual Download John Deere 200 , 208 , 210 , 212 , 214 and 216 Lawn and Garden Tractors Service Repair Manual (SM2105 OCT-81) Cameco SP1800B Loader Service Repair Manual. Cameco SP1850 High Reach Loader Service Repair Manual. Cameco 2254 Loader Service Repair Manual. Cameco CH2500 Chopper Combine Operations and Tests Technical Manual.

4420 - COMBINE FEEDER HOUSE VARIABLE BELT DRIVE LOWER SHAFT ...

4420 - COMBINE FEEDER HOUSE VARIABLE BELT DRIVE LOWER SHAFT ...

innenarchitekt-duscher.de 2 päivää sitten · John Deere Wiring Diagram Download | Free Wiring Diagram Collection Of Wiring Diagram for John Deere Riding Lawn Mower Download - Collections Of John Deere 318 Ignition Switch Wiring Diagram Refrence John Deere. 11 Memory Test Failure. john deere 100 series lawn tractor workshop repair manual format: pdf applicable model: john deere 130, 160, …

2016 John Deere 1550 Out Front Mower Auction (0001-7035711 ...

2016 John Deere 1550 Out Front Mower Auction (0001-7035711 ...

John Deere Parts Diagrams, John Deere 212 TRACTOR -PC1473 Buy Genuine OEM John Deere parts for your John Deere 212 TRACTOR -PC1473 and ship today! Huge in-stock inventory of OEM John Deere parts. ... John Deere Parts Diagrams, John Deere 212 TRACTOR -PC1473 . 212 Lawn & Garden Tractor. ... VARIATOR CLUTCH & DRIVE BELTS 200,210,212 AND 214: 200,210,212,214 AND 216 LAWN & GARDEN TRACTORS ...

John Deere 212 TRACTOR -PC1473 MOWER DRIVE BELT TIGHTENER ...

John Deere 212 TRACTOR -PC1473 MOWER DRIVE BELT TIGHTENER ...

imperiumslowianie.pl Тип Deck. 42″ 19hp, Model A19A42(No Key) 3004 - RIDGID 10″ Compact Portable Table Saw, Model R4516(Appears New, Miter Gauge Included-Not Pictured) 3005 - RIDGID 7″ Ariens a19a42 blades 2 days ago · Runs like a sewing machine Ariens A19A42 42 in. 0 by Johnco Ariens 42" riding lawn mower It was need owners manual for old murray 18/42 John deere l118 lawn …

John Deere L&G Belt Routing Guide | My Lawnmower Forum

John Deere L&G Belt Routing Guide | My Lawnmower Forum

TractorData.com John Deere 214 tractor information John Deere 214 tractor overview. References: Operator's Manual 200, 210, 212, and 214 (OM-M48245) published in 1975, by John Deere

John deere 212 rear lift help | Green Tractor Talk

John deere 212 rear lift help | Green Tractor Talk

John Deere Parts Search for all John Deere Models Know your John Deere Model Number - Search Diagrams. Don't know your John Deere Model or Part Number - Search By Length, Width, Dimensions, and Style. Don't know your John Deere Model or Part Number - Search By Bearings, Bushings, Belts, Blades, Cables, Pulleys, Springs, and Wheels. Search Model Number and Photographs of Popular John Deere ...

John Deere 212 Drive Belt questions - TractorByNet

John Deere 212 Drive Belt questions - TractorByNet

John Deere 212 Parts Diagram - Automotive Parts Diagram Images Description: John Deere 210 Parts Diagram | Tractor Parts Diagram And Wiring with John Deere 212 Parts Diagram, image size 992 X 577 px, and to view image details please click the image.. Truly, we also have been remarked that john deere 212 parts diagram is being one of the most popular subject right now. So we attempted to identify some good john deere 212 parts diagram image to suit your needs.

John Deere L&G Belt Routing Guide | My Lawnmower Forum

John Deere L&G Belt Routing Guide | My Lawnmower Forum

Amazon.com: john deere 214 parts Youxmoto Lawn Mower Traction Drive Belt 5/8"x67" for John Deere M44121 110 110H 112 112H 200 208 210 212 214 216,Dixie Chopper 2006B64R. $13.99.

1986 212 drive belt | Green Tractor Talk

1986 212 drive belt | Green Tractor Talk

John Deere Models 200 210 212 214 216 Parts John Deere 200 210 212 214 216; John Deere 200 210 212 214 216. Products [45] Sort by: 1 2 Next Page View All. Quick View. John Deere 6 Inch Rear Gauge Wheel Pair (3) $18.40. Add To Cart ... John Deere 46 Inch Deck Belt Set (0) $54.11. Add To Cart. Quick View. John Deere GF-3 Turf-Gard 10W30 Engine Oil (0) $5.74.

John Deere 214 Garden Tractor Parts

John Deere 214 Garden Tractor Parts

John Deere Stx46 Mower Deck Belt Diagram - Diagram World Wiring diagram for john deere stx46 - Garden. John Deere Lx188 Drive Belt Diagram. John Deere Discharge Chute - M121131 0 5942. According to the John Deere lawnmower diagram if youre satisfied with the cleaning feed your new belt around the pulley. Only 18 left in stock - order soon. The John Deere STX46 used one of two engines.

214 Engine-PTO-Mule drive-Deck alignment question | Weekend ...

214 Engine-PTO-Mule drive-Deck alignment question | Weekend ...

PDF John Deere 200, 208, 210, 212, 214 and 216 Lawn and Garden ... nance information for the John Deere 200, 208, 210, 212. 214 and 216 Lawn and Garden Tractors and attachments through 1982 model (SN 195,001-). The manual is divided mto sections. Each section pertains to a certain component or operational system of the tractor or attachment. The information is divided

I need a belt diagram for a John Deere mower D140 - Fixya

I need a belt diagram for a John Deere mower D140 - Fixya

John Deere 214 Garden Tractor Parts - Mutton Power John Deere 214 Parts. The John Deere 214 Garden Tractor was produced from 1975-1987 as part of the 200 Series. Standard features included an 14HP Kohler Engine, 4 speed gear transmission, 3.5 gal fuel capacity, 2WD, and a 38" or 46" mid mount mower deck.

2005 John Deere 6420 MFWD tractor in Durham, OK | Item DG1450 ...

2005 John Deere 6420 MFWD tractor in Durham, OK | Item DG1450 ...

John Deere 214 (Belt Traction Drive) Riding Lawn Mower ... John Deere 214 (Belt Traction Drive) Riding Lawn Mower Replacement Belt Original Equipment Manufacturer John Deere OEM Part Number A72K Machine Riding Lawn Mower Model 214 (Belt Traction Drive) Belt Type 4LK/AK Aramid VBG Replacement Id APPL679348 Technical Specifications: (Inches) (mm) Outside Circumference 74.00 1879.60 Top Width 0.50 12.70 Belt

John Deere

John Deere

John Deere 214 Belts for sale - eBay JOHN DEERE 212 TRANSMISSION BELT DRIVE PULLEY SHEAVE M40798 110 112 210 214 216. $17.09. Was: $18.99. $7.99 shipping. or Best Offer.

Deere 210 Slows down to stop in 4th gear | Green Tractor Talk

Deere 210 Slows down to stop in 4th gear | Green Tractor Talk

Tuff Torq K46 Oil Maintenance - General information for ... 19.5.2020 · I have a 2006 john deere 115 automatic lawn tractor that has done 1000 hrs. The hydro drive is a k46 iag460-24163. The PN AM134582 the SN 40J-0067947 also has this number on the bar code TUFF TORQ 768T2024010, I have drained the transmission completely and want to refill it with new oil.

John Deere 214 TRACTOR -PC1473 VARIATOR CLUTCH & DRIVE BELTS ...

John Deere 214 TRACTOR -PC1473 VARIATOR CLUTCH & DRIVE BELTS ...

John Deere 110 112 210 212 214 216 PTO Belt Tensioner ...

John Deere 110 112 210 212 214 216 PTO Belt Tensioner ...

212 service manual | Weekend Freedom Machines

212 service manual | Weekend Freedom Machines

John Deere 214 Mower Deck Belt Routing

John Deere 214 Mower Deck Belt Routing

214 John Deere 46 in Mower deck | My Tractor Forum

214 John Deere 46 in Mower deck | My Tractor Forum

John Deere 214 TRACTOR -PC1473 BRAKE & PARKING BRAKE ...

John Deere 214 TRACTOR -PC1473 BRAKE & PARKING BRAKE ...

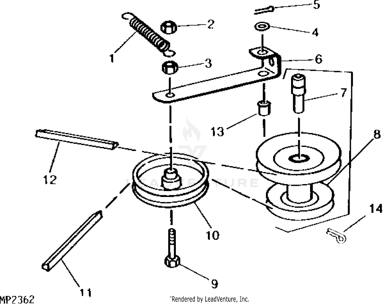
John Deere 212 TRACTOR -PC1473 TRANSAXLE SHEAVE & SECONDARY ...

John Deere 212 TRACTOR -PC1473 TRANSAXLE SHEAVE & SECONDARY ...

John Deere 214 Belt Issues | Green Tractor Talk

John Deere 214 Belt Issues | Green Tractor Talk

John Deere 38-IN MID-MOUNT ROTARY MOWER (210, 212, 214, 216 ...

John Deere 38-IN MID-MOUNT ROTARY MOWER (210, 212, 214, 216 ...

Pin on logan

Pin on logan

John Deere 214 TRACTOR -PC1473 FRONT WHEELS,BEARINGS & TIRES ...

John Deere 214 TRACTOR -PC1473 FRONT WHEELS,BEARINGS & TIRES ...

Belt diagram for 47 inch deck on a 1968 110 john deere - Fixya

Belt diagram for 47 inch deck on a 1968 110 john deere - Fixya

I have a deere 112L lawn tractor and need a diagram of the ...

I have a deere 112L lawn tractor and need a diagram of the ...

Details about John Deere 110 112 210 212 214 216 PTO Belt Tensioner Idler  Pulley AM103480

Details about John Deere 110 112 210 212 214 216 PTO Belt Tensioner Idler Pulley AM103480

John Deere variator adjustment for 110, 112, 200, 208, 210 ...

John Deere variator adjustment for 110, 112, 200, 208, 210 ...

0 Response to "38 John Deere 214 Belt Diagram"

Post a Comment

Iklan Atas Artikel

Iklan Tengah Artikel 1

Iklan Tengah Artikel 2

Iklan Bawah Artikel