Iklan 300x250

40 exmark lazer z wiring diagram

Details about exmark lazer z hp wiring diagram has been uploaded by ella brouillard and tagged in this category. This fits your. Exmark s top of the line zero turn riding mower is now available with the ultracut rear discharge cutting system for the ultimate combination of productivity durability and quality of cut. Exmark LHP4819KA (SN 190,000-219,999) [1999] Electrical Group Exploded View parts lookup by model. Complete exploded views of all the major manufacturers. It is EASY and FREE

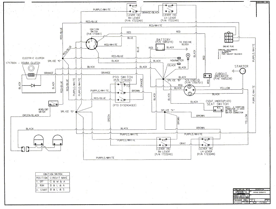
Exmark Lazer Z Wiring Schematic. Assortment of exmark lazer z wiring schematic. A wiring diagram is a streamlined conventional photographic representation of an electric circuit. It shows the elements of the circuit as simplified shapes, as well as the power and signal links between the devices. A wiring diagram generally gives info concerning the family…

Exmark lazer z wiring diagram

Exmark lazer z wiring diagram

2018 Exmark Laser Z Manual Download. Airfoil 5 8 7 x 8. Strategies to one of the most asked questions will also be revealed using exmark lazer z ct wiring diagram. Exmark lazer mower parts - shank' lawn, Find parts with our diagrams. to begin, select the link below. exmark lazer z Exmark Lazer Z Mower Wiring Diagram. Oregon Exmark Exmark Lazer Z 52", 60", 72" Deck Mowers Parts Diagram. SWIPE SWIPE Previous BELT EXMARK 5/8 X 60" DECK BELT OEM #. This carried energy will turn the blades in an Exmark Lazer Z lawnmower. Modern drive belts are usually made from polyester, polyurethane, rubber, or a.diagramweb.net - Order Genuine eXmark Part (DECAL,BELT ROUTING). Exmark wiring diagram. These values were measured with all. Wiring diagrams can be helpful in many ways, including illustrated wire colors, showing where different elements of your project go using electrical symbols, and showing what wire goes where. Related manuals for exmark self propelled mower.

Exmark lazer z wiring diagram. exmark lazer z parts diagram is one of the pictures we found on the web from reliable sources. We choose to explore this exmark lazer z parts diagram image in this post just because according to data coming from Google search engine, It really is one of many best searches keyword on google. Description: Exmark Lazer Z - Maintenance Tips, Part 4 - Youtube in Exmark Lazer Z Parts Diagram, image size 480 X 360 px, and to view image details please click the image.. Actually, we have been remarked that exmark lazer z parts diagram is being one of the most popular field at this moment. So that we attempted to get some great exmark lazer z parts diagram image for you. Exmark Lazer Z key switch would turn engine over. Pull up the parts manual and look at the wiring diagrams, the yellow wire goes to the start. Displaying Electrical Group parts for the eXmark Lazer Z - Exmark Lazer Z Zero- Turn Mower (SN: ). Browse all parts by section for this model. Exmark Lawn Mower Ignition, Safety, PTO & Kill Switches. Exmark Lazer Z Parts We sell and ship Exmark Lazer Z Mower Parts! Genuine original parts for Exmark Lazer Z Mowers. SELECT WITHIN EXMARK : Please make a selection below. *919,999 and Below (2010 and Prior Models) *920,000-989,999 (2011 Models) 312,000,000 (2012 Models)

Exmark LZ27KC604 (SN 440,000-509,999) [2004] Parts Diagrams. Parts Lookup - Enter a part number or partial description to search for parts within this model. There are (662) parts used by this model. No Longer Available. No Longer Available. Big wires are right. For the small wires make sure the ground is on one side, and the signal wire on the other side. I dont know the machine so I dont know what wires are what. Just follow where they go to find out, or find the wiring diagram from the exmark site. The manual should be there. Exmark repair parts and parts diagrams for Exmark LZ27KC605 - Exmark 60" Lazer Z Zero-Turn Mower, 27HP Kohler (SN: 670000 - 719999) (2007) Equipped with the UltraCut Rear Discharge cutting system, the Lazer Z S-Series strikes the perfect balance of value, performance and versatility. Deck widths from 60" to 72" As low as $14,499 / $267 mo USD

Exmark zero turn riding mower operating manual frontrunner. Exmark Parts Diagram Wiring Diagram Frontier Wiring Diagram Scag. Exmark Qst20be422 Exmark 42 Quest Zero Turn Mower 20hp Briggs. Exmark Lazer Wiring Diagram Electronic Schematics Collectionsexmark. Exmark Lxskd725 72 Lazer Z Xs Zero Turn Mower Sn 600000 669999 2006 Parts Lookup With Diagrams Partstree. Exmark Lazer Z Hp D While Mowing Will Restart S When Release Park Brake Lawnsite Is The Largest And Most Active Online Forum Serving Green Industry Professionals. Exmark Lz27dd724 72 Lazer Z Xp Zero Turn Mower 27hp Briggs Stratton Sn 260000 ... Exmark Lazer Z key switch would turn engine over. Pull up the parts manual and look at the wiring diagrams, the yellow wire goes to the start. Find product manuals for Exmark mowers and lawn care equipment from and before.It is easy for all of us to over complicate even the most straight-forward service and maintenance tasks. Exmark Lazer Z Wiring Diagram. Find product manuals for Exmark mowers and lawn care equipment from and before. Lazer Z Liquid-Cooled. Serial Number Range, Operator Manual. Exmark Lazer Z HP User Manual • Schematics, Electrical diagram — kohler, Ignition switch • Exmark Gardening equipment. Discover best Exmark Lazer Z images and ideas on ...

Exmark Lazer Z Belt Diagram

Exmark Lazer Z Belt Diagram

Exmark Lazer Z Key Switch Can You Help Me Determine What Color Wires Go Where I Have An Orange Black Yellow And. Swz Hydro Drive Walk Behind Color Wiring Diagram Scagtech. Exmark Lhp4819ka Sn 190 000 219 999 1999 Parts Diagram For Electrical Group. Exmark Lzas23kc524 52 Lazer Z As Zero Turn Mower 23hp Kohler Sn 850000 919999 2010 Air Cooled ...

Exmark Lazer Z Deck Belt Diagram

Exmark Lazer Z Deck Belt Diagram

If you have any questions or concerns, contact the Exmark Customer Service department at or visit your local schematron.orgon: Ashland Avenue, Beatrice, NE, Exmark Lazer Z Electrical Schematic Displaying sections and components for the eXmark Lazer Z AC - Exmark Lazer Z Air Cooled Schematic 23,27,30 HP. Several of wiring diagram for exmark zero ...

Exmark Lazer Z Ignition Switch Wiring Diagram - Database - Wiring Diagram Sample

Exmark Lazer Z Ignition Switch Wiring Diagram - Database - Wiring Diagram Sample

Exmark Lazer Z Wiring Diagram - wiring diagram is a simplified tolerable pictorial representation of an electrical circuit. It shows the components of the circuit as simplified shapes, and the capability and signal links between the devices. A wiring diagram usually gives recommendation approximately the relative point and deal of devices and ...

Exmark Lazer Z Ignition Switch Wiring Diagram

Exmark Lazer Z Ignition Switch Wiring Diagram

Exmark Lazer Z HP User Manual • Schematics, Electrical diagram — kohler, Ignition switch • Exmark Gardening equipment. wiringall.com - Select eXmark LZ27KC - Exmark 60 Lazer Z Zero-Turn Mower, 27HP Kohler (SN: ) () Diagrams and order Genuine .Details about exmark lazer z hp wiring diagram has been uploaded by Ella Brouillard and tagged in ...

Exmark Lazer Z Ignition Switch Wiring Diagram

Exmark Lazer Z Ignition Switch Wiring Diagram

Exmark Lazer Z Ignition Switch Wiring Diagram Source: usermanual.wiki. Read cabling diagrams from unfavorable to positive and redraw the circuit being a straight collection. All circuits are usually the same ~ voltage, ground, solitary component, and buttons. Exmark Lazer Z Ignition Switch Wiring Diagram Source: www.exmark.com.

Exmark Lazer Z Wiring Diagram - Free Wiring Diagram

Exmark Lazer Z Wiring Diagram - Free Wiring Diagram

Exmark Lazer Z 26 Hp Wiring Diagram - Page 15/34. Acces PDF Exmark Engine Wiring schematron.org Variety of kohler engine wiring schematic. A wiring diagram is a simplified standard pictorial representation of an electrical circuit. It reveals the parts of the circuit as

Exmark Lazer Z X Series Wiring Diagram - Wiring Diagram

Exmark Lazer Z X Series Wiring Diagram - Wiring Diagram

LAZER Z ® E-SERIES For Serial Nos. 315,000,000 & Higher Lazer Z (LZE) Units PartNo. 4502-375Rev. A L

07 Exmark Lazer Z Wiring Diagram

07 Exmark Lazer Z Wiring Diagram

This item: Exmark 1-633677 Wiring Harness Lazer Z. $158.68. Only 4 left in stock - order soon. Ships from and sold by Fix_My_Toys. 8TEN Flat Idler Pulley for Exmark Lazer Z AS AC HP Toro Z Master 1-633109 116-4667 52 60 72 inch Deck 2 Pack. $39.95. In Stock. Ships from and sold by Mishon Corporation. FREE Shipping.

Exmark Lazer Z Ignition Switch Wiring Diagram

Exmark Lazer Z Ignition Switch Wiring Diagram

Click below for more service videos including installing a collegiate seat on an Exmark Lazer Z mower. If you have any questions or concerns, contact the Exmark Customer Service department at 402-223-6375 or visit your local dealer. Use the features below to find Exmark operator and parts manuals.

View Exmark Lazer Z Wiring Diagram Pictures - Kumpulan Alamat Grapari Telkomsel dan Alamat Bank.

View Exmark Lazer Z Wiring Diagram Pictures - Kumpulan Alamat Grapari Telkomsel dan Alamat Bank.

Exmark Zero-Turn Mowers: Lazer Z Parts Lookup & Diagrams Exmark Zero-Turn Mowers: Lazer Z ( 749 Models ) LAS23KC524 - Exmark 52" Lazer Z AS Zero-Turn Mower, 23HP Kohler (SN: 600000 - 669999) (2006)

Exmark Lazer Wiring Diagram - Wiring Diagram & Schemas

Exmark Lazer Wiring Diagram - Wiring Diagram & Schemas

New Stens Ignition Switch 430-120 Compatible with Exmark Lazer Z, Serial No. 920,000 and higher, Next Lazer Z, Serial No. 850,000 and higher and Quest, ToroMost Z Master 2010 and newer 117-2221, Black

20 Luxury Exmark Lazer Z Wiring Diagram

20 Luxury Exmark Lazer Z Wiring Diagram

Exmark wiring diagram. These values were measured with all. Wiring diagrams can be helpful in many ways, including illustrated wire colors, showing where different elements of your project go using electrical symbols, and showing what wire goes where. Related manuals for exmark self propelled mower.

white and yellow ice cream with cone

white and yellow ice cream with cone

Oregon Exmark Exmark Lazer Z 52", 60", 72" Deck Mowers Parts Diagram. SWIPE SWIPE Previous BELT EXMARK 5/8 X 60" DECK BELT OEM #. This carried energy will turn the blades in an Exmark Lazer Z lawnmower. Modern drive belts are usually made from polyester, polyurethane, rubber, or a.diagramweb.net - Order Genuine eXmark Part (DECAL,BELT ROUTING).

white and black van parked beside green leaf tree

white and black van parked beside green leaf tree

2018 Exmark Laser Z Manual Download. Airfoil 5 8 7 x 8. Strategies to one of the most asked questions will also be revealed using exmark lazer z ct wiring diagram. Exmark lazer mower parts - shank' lawn, Find parts with our diagrams. to begin, select the link below. exmark lazer z Exmark Lazer Z Mower Wiring Diagram.

30 Exmark Lazer Z Parts Diagram - Wiring Diagram Database

30 Exmark Lazer Z Parts Diagram - Wiring Diagram Database

Exmark Lazer Z 60 Wiring Diagram - Wiring Diagram

Exmark Lazer Z 60 Wiring Diagram - Wiring Diagram

Exmark Lazer Z 26 Hp Wiring Diagram

Exmark Lazer Z 26 Hp Wiring Diagram

Schematics, Electrical diagram — kohler efi | Exmark Lazer Z S-Series User Manual | Page 53 / 60

Schematics, Electrical diagram — kohler efi | Exmark Lazer Z S-Series User Manual | Page 53 / 60

Exmark Lazer Z Wiring Diagram

Exmark Lazer Z Wiring Diagram

20 Luxury Exmark Lazer Z Wiring Diagram

20 Luxury Exmark Lazer Z Wiring Diagram

Exmark Drive Belt Diagram

Exmark Drive Belt Diagram

33 Exmark Lazer Z Wiring Diagram - Wiring Diagram List

33 Exmark Lazer Z Wiring Diagram - Wiring Diagram List

Exmark Lazer Z 60 Wiring Diagram - Wiring Diagram

Exmark Lazer Z 60 Wiring Diagram - Wiring Diagram

Exmark Quest Drive Belt Diagram - General Wiring Diagram

Exmark Quest Drive Belt Diagram - General Wiring Diagram

Exmark Lazer Z Parts Diagram - General Wiring Diagram

Exmark Lazer Z Parts Diagram - General Wiring Diagram

33 Exmark Lazer Z Belt Diagram - Wiring Diagram Database

33 Exmark Lazer Z Belt Diagram - Wiring Diagram Database

yellow blue and black coated wires

yellow blue and black coated wires

Exmark Lazer Z 60 Wiring Diagram - Wiring Diagram

Exmark Lazer Z 60 Wiring Diagram - Wiring Diagram

Exmark Lazer Z Wiring Schematic | Free Wiring Diagram

Exmark Lazer Z Wiring Schematic | Free Wiring Diagram

woman in red and black atv on dirt road during daytime

woman in red and black atv on dirt road during daytime

Exmark Ignition Switch Wiring Diagram - Electrical School

Exmark Ignition Switch Wiring Diagram - Electrical School

Exmark Lazer Z Ignition Switch Wiring Diagram - Database - Wiring Diagram Sample

Exmark Lazer Z Ignition Switch Wiring Diagram - Database - Wiring Diagram Sample

woman in black shirt and blue denim jeans standing on rock formation during daytime

woman in black shirt and blue denim jeans standing on rock formation during daytime

Exmark Lazer Wiring Diagram - Wiring Diagram & Schemas

Exmark Lazer Wiring Diagram - Wiring Diagram & Schemas

low angle photography of building

low angle photography of building

Exmark Lazer Z 60 Wiring Diagram - Wiring Diagram

Exmark Lazer Z 60 Wiring Diagram - Wiring Diagram

Exmark Lazer Z Parts Diagram | My Wiring DIagram

Exmark Lazer Z Parts Diagram | My Wiring DIagram

Nokia building photograph

Nokia building photograph

Exmark Wiring Diagrams | Printable Worksheets and Activities for Teachers, Parents, Tutors and ...

Exmark Wiring Diagrams | Printable Worksheets and Activities for Teachers, Parents, Tutors and ...

Exmark Lazer Z Parts Diagram

Exmark Lazer Z Parts Diagram

0 Response to "40 exmark lazer z wiring diagram"

Post a Comment

Iklan Atas Artikel

Iklan Tengah Artikel 1

Iklan Tengah Artikel 2

Iklan Bawah Artikel